| ||||||
| № п/п | Наименование | Код детали | ||||
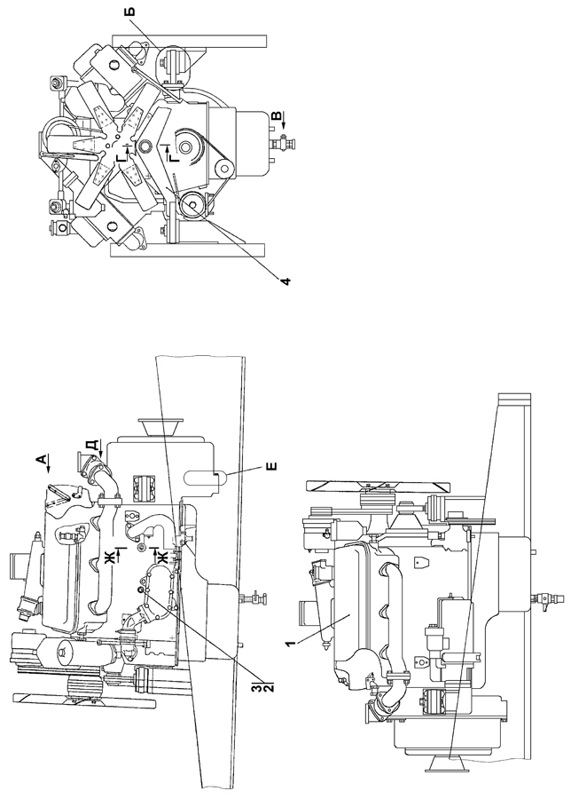
| 0 | Установка двигателя ЯМЗ-236 | 1102-01-1СП(SP) | ||||
| 0 | Установка двигателя ЯМЗ-236 | 1102-01-1-10СП(SP) | ||||
| 0 | Установка двигателя ЯМЗ-236 | 1102-01-1-20СП(SP) | ||||
| 1 | Двигатель с оборудованием | 1102-01-10СП(SP) | ||||
| 1 | Двигатель с оборудованием | 1102-01-10-10СП(SP) | ||||
| 1 | Двигатель с оборудованием | 1102-01-10-20СП(SP) | ||||
| 2 | Переходник | 37263 | ||||
| 2 | Переходник | 2002-01-7-20 | ||||
| 3 | Датчик аварийного давления масла ММ111В ТУ 37.003.138-76 | - | ||||
| 3 | Датчик аварийного давления масла ММ111В-Э ТУ 37.003.138-76 | - | ||||
| 3 | Датчик аварийного давления масла ММ111В-Т ТУ 37.003.138-76 | - | ||||
| 4 | Опора передняя | 1102-01-101СП(SP) | ||||
| 4 | Опора передняя | 1102-01-101-20СП(SP) | ||||
Обращаем Ваше внимание, что пункты отмеченные звездочкой, обязательны для заполнения.