| ||||||
| № п/п | Наименование | Код детали | ||||
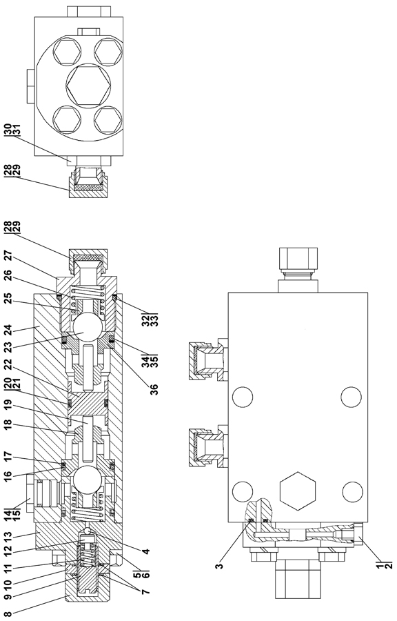
| 0 | Гидрозамок | 011501-93-508СП(SP) | ||||
| 0 | Гидрозамок | 011501-93-508-20СП | ||||
| 1 | Пробка | 37 5245 | ||||
| 1 | Пробка | 37 5245-20 | ||||
| 2 | Кольцо 007-011-25-2-51-1668 ТУ2531-260-00149245-00 | - | ||||
| 3 | Кольцо 012-016-25-2-51-1668 ТУ2531-260-00149245-00 | - | ||||
| 4 | Шарик 5,953-40 ГОСТ 3722-81 | - | ||||
| 5 | Болт М16?1,5-6g?55 ГОСТ 7796-70 | 28 0555 | ||||
| 5 | Болт М16?1,5-6g?55 ГОСТ 7796-70 | 28 0555-20 | ||||
| 6 | Шайба 16 ОТ ГОСТ 6402-70 | - | ||||
| 7 | Кольцо 025-030-30-2-51-1668 ТУ2531-260-00149245-00 | - | ||||
| 8 | Колпачок | 3501-93-613 | ||||
| 8 | Колпачок | 3501-93-613-20 | ||||
| 9 | Винт регулировочный | 011501-93-615 | ||||
| 9 | Винт регулировочный | 011501-93-615-20 | ||||
| 10 | Контргайка | 3501-93-615 | ||||
| 10 | Контргайка | 3501-93-615-20 | ||||
| 11 | Пружина | 38 5350 | ||||
| 11 | Пружина | 38 5350-20 | ||||
| 12 | Направляющая | 2501-93-575 | ||||
| 13 | Крышка | 011501-93-629 | ||||
| 13 | Крышка | 011501-93-629-20 | ||||
| 14 | Пробка | 011501-93-618 | ||||
| 15 | Кольцо 022-026-25-2-51-1668 ТУ2531-260-00149245-00 | - | ||||
| 16 | Кольцо 042-050-46-2-51-1668 ТУ2531-260-00149245-00 | - | ||||
| 17 | Шайба защитная | 44 0005 | ||||
| 18 | Седло | 2501-93-572 | ||||
| 19 | Толкатель | 2501-93-577 | ||||
| 20 | Кольцо защитное | 2501-93-581 | ||||
| 21 | Кольцо 032-038-36-2-51-1668 ТУ2531-260-00149245-00 | - | ||||
| 22 | Поршень | 2501-93-573 | ||||
| 23 | Шарик 26,988-40 ГОСТ 3722-81 | - | ||||
| 24 | Корпус | 011501-93-641 | ||||
| 25 | Вкладыш | 2501-93-574 | ||||
| 26 | Пружина | 38 5582 | ||||
| 27 | Штуцер ввертной | 011501-93-640 | ||||
| 27 | Штуцер ввертной | 011501-93-640-20 | ||||
| 28 | Колпачок | 46-21-884 | ||||
| 29 | Прокладка | 700-40-6518 | ||||
| 29 | Прокладка | 700-40-6518-20 | ||||
| 30 | Штуцер | 46-26-1276 | ||||
| 30 | Штуцер | 46-26-1276-20 | ||||
| 31 | Кольцо 026-032-36-2-51-1668 ТУ2531-260-00149245-00 | - | ||||
| 32 | Шайба защитная | 2501-26-1158 | ||||
| 33 | Кольцо 049-055-36-2-51-1668 ТУ2531-260-00149245-00 | - | ||||
| 34 | Кольцо защитное | 46-93-607-02 | ||||
| 35 | Кольцо 040-048-46-2-51-1668 ТУ2531-260-00149245-00 | - | ||||
| 36 | Седло | 2501-93-572-01 | ||||
Обращаем Ваше внимание, что пункты отмеченные звездочкой, обязательны для заполнения.