| ||||||
| № п/п | Наименование | Код детали | ||||
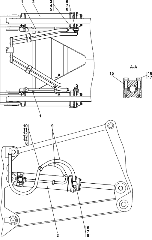
| 0 | Гидросистема рыхлительного оборудования | 011501-97-501СП(SP) | ||||
| 0 | Гидросистема рыхлительного оборудования | 011501-97-501-20СП | ||||
| 1 | Трубопровод | 011501-97-509СП(SP) | ||||
| 1 | Трубопровод | 011501-97-509-20СП | ||||
| 2 | Гидроцилиндр d160 | 011501-97-502СП(SP) | ||||
| 2 | Гидроцилиндр d160 | 011501-97-502-20СП | ||||
| 3 | Угольник | 2001-26-229 | ||||
| 3 | Угольник | 2001-26-229-20 | ||||
| 4 | Кольцо защитное | 44 0038 | ||||
| 5 | Кольцо 032-038-36-2-51-1668 ТУ2531-260-00149245-00 | - | ||||
| 6 | Фланец | 012001-97-564 | ||||
| 6 | Фланец | 012001-97-564-20 | ||||
| 7 | Болт М16?1,5-6g?45 | 28 0544 | ||||
| 7 | Болт М16?1,5-6g?45 | 28 0544-20 | ||||
| 8 | Шайба 16.ОТ ГОСТ 6402-70 | - | ||||
| 9 | Рукав d20 | 011501-97-504-01СП | ||||
| 9 | Рукав d20 | 011501-97-504-01-20СП | ||||
| 10 | Прокладка | 2001-26-192 | ||||
| 10 | Прокладка | 2001-26-192-20 | ||||
| 11 | Скоба | 2501-26-300 | ||||
| 11 | Скоба | 2501-26-300-20 | ||||
| 12 | Планка | 2501-26-301 | ||||
| 12 | Планка | 2501-26-301-20 | ||||
| 13 | Болт М16?1,5-6g?30 | 28 0520 | ||||
| 13 | Болт М16?1,5-6g?30 | 28 0520-20 | ||||
| 14 | Гайка М16?1,5 ГОСТ 5915-70 | - | ||||
| 15 | Бугель | 2501-98-501 | ||||
| 15 | Бугель | 2501-98-501-20 | ||||
| 16 | Болт М8-6g?40 ГОСТ 7795-70 | - | ||||
| 17 | Шайба 8Т ГОСТ 6402-70 | - | ||||
Обращаем Ваше внимание, что пункты отмеченные звездочкой, обязательны для заполнения.