| ||||||
| № п/п | Наименование | Код детали | ||||
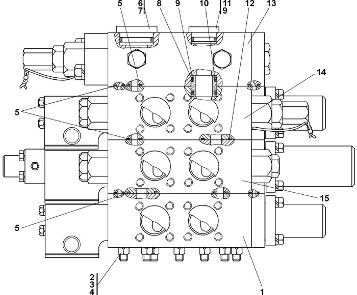
| 0 | Распределитель секционный | 2001-26-21-01СП(SP) | ||||
| 0 | Распределитель секционный | 2001-26-21-01-20СП | ||||
| 1 | Распределитель | 2001-26-22-01СП(SP) | ||||
| 1 | Распределитель | 2001-26-22-01-20СП | ||||
| 2 | Шпилька | 29 5380-01 | ||||
| 2 | Шпилька | 29 5380-01-20 | ||||
| 3 | Гайка М12?1,25 | 30 0215-01 | ||||
| 3 | Гайка М12?1,25 | 30 0215-01-20 | ||||
| 4 | Шайба 12 ОТ ГОСТ 6402-70 | - | ||||
| 5 | Кольцо 016-020-25-2-51-1668 ТУ2531-260-00149245-00 | - | ||||
| 6 | Заглушка* | 25-26-207 | ||||
| 6 | Заглушка* | 25-26-207-20 | ||||
| 7 | Кольцо 042-050-46-2-51-1668 ТУ2531-260-00149245-00 | - | ||||
| 8 | Кольцо защитное | 44 0038 | ||||
| 9 | Кольцо 032-038-36-2-51-1668 ТУ2531-260-00149245-00 | - | ||||
| 10 | Втулка | 2001-26-176 | ||||
| 11 | Заглушка* | 2501-26-150 | ||||
| 11 | Заглушка* | 2501-26-150-20 | ||||
| 12 | Кольцо 039-045-36-2-51-1668 ТУ2531-260-00149245-00 | - | ||||
| 13 | Клапан | 2001-26-23СП(SP) | ||||
| 13 | Клапан | 2001-26-23-20СП(SP) | ||||
| 14 | Распределитель | 2001-26-22-02СП(SP) | ||||
| 14 | Распределитель | 2001-26-22-02-20СП | ||||
| 15 | Распределитель | 2001-26-22СП(SP) | ||||
| 15 | Распределитель | 2001-26-22-20СП(SP) | ||||
Обращаем Ваше внимание, что пункты отмеченные звездочкой, обязательны для заполнения.