| ||||||
| № п/п | Наименование | Код детали | ||||
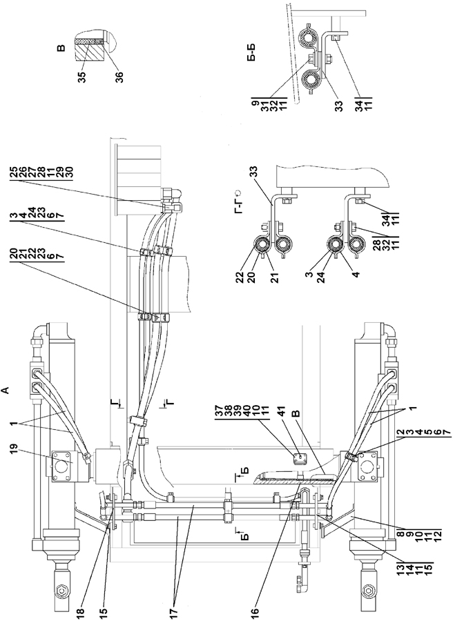
| 1 | Рукав d20 | 011101-97-509-03СП | ||||
| 1 | Рукав d20 | 011101-97-509-03-20СП | ||||
| 2 | Прокладка | 2001-26-192 | ||||
| 2 | Прокладка | 2001-26-192-20 | ||||
| 3 | Скоба | 2501-26-300 | ||||
| 3 | Скоба | 2501-26-300-20 | ||||
| 4 | Планка | 2501-26-301 | ||||
| 4 | Планка | 2501-26-301-20 | ||||
| 5 | Болт М16?1,5-6g?30 | 28 0520 | ||||
| 5 | Болт М16?1,5-6g?30 | 28 0520-20 | ||||
| 6 | Гайка М16?1,5 ГОСТ 5915-70 | - | ||||
| 7 | Шайба 16.ОТ ГОСТ 6402-70 | - | ||||
| 8 | Серьга | 2001-26-133 | ||||
| 8 | Серьга | 2001-26-133--20 | ||||
| 9 | Шайба | 31 5211 | ||||
| 9 | Шайба | 31 5211-20 | ||||
| 10 | Болт М12?1,25-6g?30 ГОСТ 7796-70 | - | ||||
| 11 | Шайба 12.ОТ ГОСТ 6402-70 | - | ||||
| 12 | Шайба 16 | 31 0270 | ||||
| 12 | Шайба 16 | 31 0270-20 | ||||
| 13 | Трубопровод | 2001-26-88СП(SP) | ||||
| 13 | Трубопровод | 2001-26-88-20СП(SP) | ||||
| 14 | Болт М12?1,25-6g?35 ГОСТ 7796-70 | - | ||||
| 15 | Шайба 12 | 31 0230 | ||||
| 15 | Шайба 12 | 31 0230-20 | ||||
| 16 | Втулка опорная | 2001-26-293 | ||||
| 17 | Рукав d20 | 011101-97-509-09СП | ||||
| 17 | Рукав d20 | 011101-97-509-09-20СП | ||||
| 18 | Трубопровод | 2001-26-89СП(SP) | ||||
| 18 | Трубопровод | 2001-26-89-20СП(SP) | ||||
| 19 | Ось | 2001-26-85СП(SP) | ||||
| 19 | Ось | 2001-26-85-20СП(SP) | ||||
| 20 | Скоба | 2501-26-220 | ||||
| 20 | Скоба | 2501-26-220-20 | ||||
| 21 | Планка | 2501-26-221 | ||||
| 21 | Планка | 2501-26-221-20 | ||||
| 22 | Втулка | 40 0354-03 | ||||
| 23 | Болт М16?1,5-6g?45 | 28 0544 | ||||
| 23 | Болт М16?1,5-6g?45 | 28 0544-20 | ||||
| 24 | Втулка | 40 0354-05 | ||||
| 25 | Трубопровод | 2001-26-40СП(SP) | ||||
| 25 | Трубопровод | 2001-26-40-20СП(SP) | ||||
| 26 | Фланец | 2001-26-83 | ||||
| 26 | Фланец | 2001-26-83-20 | ||||
| 27 | Кольцо защитное | 44 0038 | ||||
| 28 | Болт М12-6g?35 ГОСТ 7796-70 | - | ||||
| 29 | Шайба 12?2 | 31 0210 | ||||
| 29 | Шайба 12?2 | 31 0210-20 | ||||
| 30 | Кольцо 032-038-36-2-51-1668 ТУ2531-260-00149245-00 | - | ||||
| 31 | Болт М12-6g?40 | 28 0350 | ||||
| 31 | Болт М12-6g?40 | 28 0350-20 | ||||
| 32 | Гайка М12 ГОСТ 5915-70 | - | ||||
| 33 | Планка | 312501-94-155 | ||||
| 33 | Планка | 312501-94-155-20 | ||||
| 34 | Болт М12?1,25-6g?25 ГОСТ 7796-70 | - | ||||
| 35 | Втулка опорная | 2001-26-137 | ||||
| 36 | Кольцо | 2001-26-299 | ||||
| 37 | Стопор | 46-26-654 | ||||
| 38 | Крышка | 46-26-659 | ||||
| 38 | Крышка | 46-26-659-20 | ||||
| 39 | Шайба | 31 5425 | ||||
| 39 | Шайба | 31 5425-20 | ||||
| 40 | Прокладка | 700-40-6563 | ||||
| 40 | Прокладка | 700-40-6563-20 | ||||
| 41 | Масленка 1.2Ц6хр | - | ||||
| 41 | Масленка 1.2Кд6хр | - | ||||
Обращаем Ваше внимание, что пункты отмеченные звездочкой, обязательны для заполнения.