| ||||||
| № п/п | Наименование | Код детали | ||||
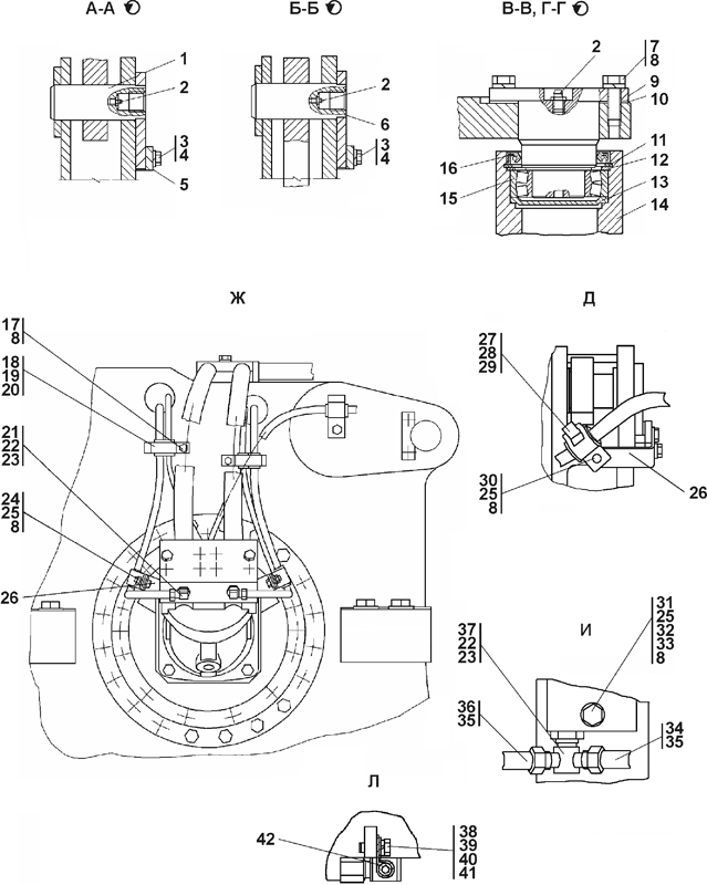
| 1 | Палец | 011501-97-20СП(SP) | ||||
| 2 | Масленка 1.2.Ц6хр ГОСТ 19853-74 | - | ||||
| 2 | Масленка 1.2.Кд.6хр ГОСТ 19853-74 | - | ||||
| 3 | Болт М16-6g?30 ГОСТ 7796-70 | 28 0521 | ||||
| 3 | Болт М16-6g?30 ГОСТ 7796-70 | 28 0521-20 | ||||
| 4 | Шайба 16 ОТ ГОСТ 6402-70 | - | ||||
| 4 | Шайба 16 ОТ ГОСТ 6402-70 | - | ||||
| 5 | Планка | 46-98-2 | ||||
| 5 | Планка | 46-98-2-20 | ||||
| 6 | Палец | 011501-97-30СП(SP) | ||||
| 7 | Болт М12?1,25-6g?45 ГОСТ 7796-70 | 28 0361 | ||||
| 7 | Болт М12?1,25-6g?45 ГОСТ 7796-70 | 28 0361-20 | ||||
| 8 | Шайба 12 ОТ ГОСТ 6402-70 | - | ||||
| 8 | Шайба 12 ОТ ГОСТ 6402-70 | - | ||||
| 9 | Опора | 1501-96-54 | ||||
| 9 | Опора | 1501-96-54-20 | ||||
| 10 | Кольцо регулировочное | 1501-96-60 | ||||
| 11 | Кольцо С90 ГОСТ 13941-86 | 700-58-2278 | ||||
| 12 | Кольцо упорное | 1501-96-53 | ||||
| 13 | Крышка | 1501-96-12 | ||||
| 14 | Труба | 1501-96-52-01 | ||||
| 14 | Труба | 1501-96-52-01-20 | ||||
| 15 | Подшипник 3509 ГОСТ 5721-75 | - | ||||
| 16 | Манжета 1.2-65?90-3 ГОСТ 8752-79/ОСТ 3805146-78 | - | ||||
| 17 | Болт М12?1,25-6g?25 ГОСТ 7796-70 | - | ||||
| 17 | Болт М12?1,25-6g?25 ГОСТ 7796-70 | - | ||||
| 18 | Планка | 5001-26-43 | ||||
| 18 | Планка | 5001-26-43-20 | ||||
| 19 | Скоба | 5001-26-44 | ||||
| 19 | Скоба | 5001-26-44-20 | ||||
| 20 | Втулка | 40 0402-01 | ||||
| 21 | Угольник поворотный | 5001-26-77 | ||||
| 21 | Угольник поворотный | 5001-26-77-20 | ||||
| 22 | Кольцо 018-023-25-2-51-1668 ТУ 2531-260-00149245-00 | - | ||||
| 23 | Контргайка | Н.036.23.022 | ||||
| 23 | Контргайка | Н.036.23.022-01 | ||||
| 25 | Гайка М12 ГОСТ 5915-70 | - | ||||
| 25 | Гайка М12 ГОСТ 5915-70 | - | ||||
| 26 | Опора | 312001-94-7 | ||||
| 26 | Опора | 312001-94-7-20 | ||||
| 27 | Скоба | 2501-26-216 | ||||
| 27 | Скоба | 2501-26-216-20 | ||||
| 28 | Планка | 2501-26-217 | ||||
| 28 | Планка | 2501-26-217-20 | ||||
| 29 | Втулка | 40 0354-05 | ||||
| 30 | Болт М12-6g?30 ГОСТ 7796-70 | - | ||||
| 30 | Болт М12-6g?30 ГОСТ 7796-70 | - | ||||
| 31 | Болт М12-6g?55 ГОСТ 7796-70 | 28 0376 | ||||
| 31 | Болт М12-6g?55 ГОСТ 7796-70 | 28 0376-20 | ||||
| 32 | Шайба 12?2 ГОСТ 11371-78 (допускается замена на поз.33) | 31 0210 | ||||
| 32 | Шайба 12?2 ГОСТ 11371-78 | 31 0210-20 | ||||
| 33 | Шайба 12?2 ГОСТ 11371-78 (допускается замена на поз.32) | 31 0210-05 | ||||
| 33 | Шайба 12?2 ГОСТ 11371-78 | 31 0210-05-20 | ||||
| 34 | Рукав ?8 | 311102-26-517-24СП | ||||
| 34 | Рукав ?8 | 311102-26-517-24-20СП | ||||
| 35 | Кольцо 007-011-25-2-51 ТУ 2531-260-0149245-00 | - | ||||
| 36 | Рукав ?8 | 311102-26-517-26СП | ||||
| 36 | Рукав ?8 | 311102-26-517-26-20СП | ||||
| 37 | Тройник | 311102-26-515СП(SP) | ||||
| 37 | Тройник | 311102-26-515-20СП | ||||
| 38 | Болт М8-6g?20 ГОСТ 7796-70 | - | ||||
| 38 | Болт М8-6g?20 ГОСТ 7796-70 | - | ||||
| 39 | Шайба 8Т ГОСТ 6402-70 | - | ||||
| 39 | Шайба 8Т ГОСТ 6402-70 | - | ||||
| 40 | Шайба 8 ГОСТ 11371-78 (допускается замена на поз.41) | 31 0150 | ||||
| 40 | Шайба 8 ГОСТ 11371-78 | 31 0150-20 | ||||
| 41 | Шайба 8 ГОСТ 11371-78 (допускается замена на поз.40) | 31 0150-05 | ||||
| 41 | Шайба 8 ГОСТ 11371-78 | 31 0150-05-20 | ||||
| 42 | Хомутик | 41 5119 | ||||
Обращаем Ваше внимание, что пункты отмеченные звездочкой, обязательны для заполнения.