| ||||||
| № п/п | Наименование | Код детали | ||||
| 0 | Клапан | 311102-26-39СП(SP) | ||||
| 0 | Клапан | 311102-26-39-20СП(SP) | ||||
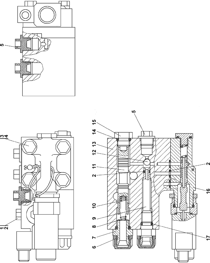
| 1 | Пробка | 37 5245 | ||||
| 1 | Пробка | 37 5245-20 | ||||
| 2 | Кольцо 007-011-25-2-51-1668 ТУ 2531-260-00149245-00 | - | ||||
| 3 | Болт М12-6g?45 ГОСТ 7796-70 | 28 0361-01 | ||||
| 3 | Болт М12-6g?45 ГОСТ 7796-70 | 28 0361-01-20 | ||||
| 4 | Шайба 12 ОТ ГОСТ 6402-70 | - | ||||
| 5 | Заглушка | 44 0057 | ||||
| 6 | Заглушка | 2501-26-294 | ||||
| 7 | Штуцер ввертной | 5001-26-78 | ||||
| 7 | Штуцер ввертной | 5001-26-78-20 | ||||
| 8 | Шайба 6 ГОСТ 6958-78 | 31 0120 | ||||
| 9 | Направляющая | 311102-26-30 | ||||
| 9 | Направляющая | 311102-26-30-20 | ||||
| 10 | Пружина | 38 5120-01 | ||||
| 11 | Золотник | 311102-26-22 | ||||
| 12 | Шарик Б10-100 ГОСТ 3722-81 | - | ||||
| 13 | Корпус | 311102-26-29 | ||||
| 14 | Кольцо 018-022-25-2-51-1668 ТУ 2531-260-00149245-00 | - | ||||
| 15 | Пробка | 37 5625 | ||||
| 15 | Пробка | 37 5625-20 | ||||
| 16 | Пилот управления | 3501-26-65СП(SP) | ||||
| 16 | Пилот управления | 3501-26-65-20СП(SP) | ||||
| 17 | Кольцо 014-018-25-2-51-1668 ТУ 2531-260-00149245-00 | - | ||||
Обращаем Ваше внимание, что пункты отмеченные звездочкой, обязательны для заполнения.