| ||||||
| № п/п | Наименование | Код детали | ||||
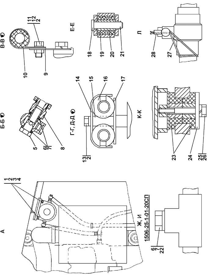
| 1 | Болт М8-6g?25 ГОСТ 7796-70 | - | ||||
| 2 | Шайба 8Т ГОСТ 6402-70 | - | ||||
| 3 | Шайба 8 ГОСТ 11371-78 (допускается замена на поз. 4) | 31 0150 | ||||
| 3 | Шайба 8 ГОСТ 11371-78 | 31 0150-20 | ||||
| 4 | Шайба 8 ГОСТ 11371-78 | - | ||||
| 5 | Болт зажимной | 700-41-2622 | ||||
| 5 | Болт зажимной | 700-41-2622-20 | ||||
| 6 | Прокладка (допускается замена на поз. 7) | 46-43-313 | ||||
| 7 | Кольцо 12?16 МН 4152-62 (допускается замена на поз. 6) | - | ||||
| 8 | Наконечник | 1506-25-4 | ||||
| 8 | Наконечник | 1506-25-4-20 | ||||
| 9 | Планка | 2501-10-10 | ||||
| 9 | Планка | 2501-10-10-20 | ||||
| 10 | Хомутик | 700-41-3307 | ||||
| 11 | Болт М8-6g?16 ГОСТ 7796-70 | - | ||||
| 12 | Гайка М8 ГОСТ 5915-70 | - | ||||
| 13 | Болт М8-6g?45 ГОСТ 7795-70 | - | ||||
| 14 | Накладка | 1102-25-12 | ||||
| 14 | Накладка | 1102-25-12-20 | ||||
| 15 | Втулка | 1102-25-16 | ||||
| 15 | Втулка | 1102-25-16-20 | ||||
| 16 | Втулка | 40 0478 | ||||
| 17 | Пластина | 1102-25-13 | ||||
| 17 | Пластина | 1102-25-13-20 | ||||
| 18 | Ось 6-16f9?75 ГОСТ 9650-80 | 47 0570 | ||||
| 19 | Втулка | 40 0093 | ||||
| 20 | Втулка | 2501-25-108 | ||||
| 20 | Втулка | 2501-25-108-20 | ||||
| 21 | Шплинт 4?40 ГОСТ 397-79 | - | ||||
| 22 | Пробка | 700-37-2077-20 | ||||
| 23 | Амортизатор | 2501-25-37СП(SP) | ||||
| 24 | Накладка | 1101-25-36 | ||||
| 25 | Болт М16?1,5-6g?105 ГОСТ 7795-70 | - | ||||
| 26 | Шайба 16 ОТ ГОСТ 6402-70 | - | ||||
| 27 | Проволока 0,8-О-С ГОСТ 3282-74 | - | ||||
| 28 | Пломба свинцовая | 2001-80-4 | ||||
Обращаем Ваше внимание, что пункты отмеченные звездочкой, обязательны для заполнения.