| ||||||
| № п/п | Наименование | Код детали | ||||
| 0 | Механизм натяжения* | 1101-21-43-02СП(SP) | ||||
| 0 | Механизм натяжения | 1101-21-43-02-20СП | ||||
| 0 | Механизм натяжения** | 1101-21-43-03СП(SP) | ||||
| 0 | Механизм натяжения | 1101-21-43-03-20СП | ||||
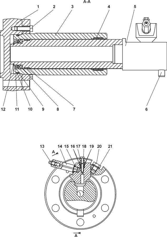
| 1 | Крышка | 2001-21-126 | ||||
| 2 | Болт М8-6g?35 ГОСТ 7796-70 | - | ||||
| 3 | Цилиндр | 1101-21-66СП(SP) | ||||
| 4 | Кольцо Е20-100-105 ТУ 2290-004-48774662-2002 | - | ||||
| 5 | Шток* | 1101-21-46-02СП(SP) | ||||
| 5 | Шток** | 1101-21-46-03СП(SP) | ||||
| 6 | Штифт | 700-32-2177 | ||||
| 7 | Кольцо Е20-095-100 ТУ 2290-004-48774662-2002 | - | ||||
| 8 | Манжета Е32-080 ТУ 2290-003-48774662-2002 | - | ||||
| 9 | Шайба | 700-40-4360 | ||||
| 10 | Кольцо 115-125-58-2-51-1668 ТУ 2531-260-00149245-00 | - | ||||
| 11 | Кольцо | 1101-21-67 | ||||
| 12 | Кольцо | 700-58-2122 | ||||
| 13 | Масленка 1.2Ц6хр ГОСТ 19853-74 | - | ||||
| 13 | Масленка 1.2Кд6хр ГОСТ 19853-74 | - | ||||
| 14 | Наконечник | 1101-21-136 | ||||
| 14 | Наконечник | 1101-21-136-20 | ||||
| 15 | Прокладка | 700-40-260-11 | ||||
| 16 | Обойма | 46-21-718 | ||||
| 17 | Пробка | 46-21-717 | ||||
| 17 | Пробка | 46-21-717-20 | ||||
| 18 | Игла | 46-21-756 | ||||
| 19 | Кольцо СТ13-5-4 ГОСТ 288-72 | 50 0192 | ||||
| 20 | Пробка | 37 5515 | ||||
| 20 | Пробка | 37 5515-20 | ||||
| 21 | Кольцо 16?22 МН 4152-62 | - | ||||
Обращаем Ваше внимание, что пункты отмеченные звездочкой, обязательны для заполнения.