| ||||||
| № п/п | Наименование | Код детали | ||||
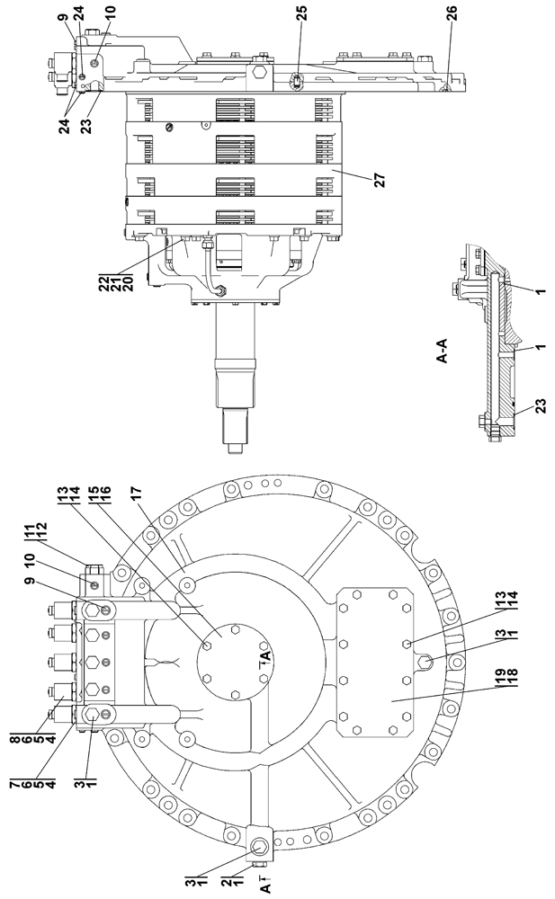
| 0 | Коробка передач с системой гидроуправления | 2001-12-19СП(SP) | ||||
| 0 | Коробка передач с системой гидроуправления | 2001-12-19-20СП(SP) | ||||
| 1 | Кольцо 018-022-25-2-51-1668 ТУ 2531-260-00149245-00 | - | ||||
| 2 | Пробка | 37 5625 | ||||
| 2 | Пробка | 37 5625-20 | ||||
| 3 | Пробка | 37 5331 | ||||
| 3 | Пробка | 37 5331-20 | ||||
| 4 | Кольцо 027-032-30-2-51-1668ТУ 2531-260-00149245-00 | - | ||||
| 5 | Кольцо 025-030-30-2-51-1668 ТУ 2531-260-00149245-00 | - | ||||
| 6 | Кольцо 034-038-25-2-51-1668 ТУ 2531-260-00149245-00 | - | ||||
| 7 | Клапан | 606-15-8-02СП(SP) | ||||
| 7 | Клапан | 606-15-8-02-20СП(SP) | ||||
| 8 | Клапан | 606-15-8СП(SP) | ||||
| 8 | Клапан | 606-15-8-20СП(SP) | ||||
| 9 | Пробка 3-КГ 1/2? ТУ 23.1.506-91 | 37 0650 | ||||
| 9 | Пробка 3-КГ 1/4? ТУ 23.1.506-91 | 37 0650-20 | ||||
| 10 | Проволока КС-1 ГОСТ 792-67 | - | ||||
| 11 | Клапан | 4001-15-5СП(SP) | ||||
| 11 | Клапан | 4001-15-5-20СП(SP) | ||||
| 12 | Кольцо 026-032-36-2-51-1668 ТУ 2531-260-00149245-00 | - | ||||
| 13 | Болт М12-6g?30 ГОСТ 7796-70 | - | ||||
| 14 | Шайба 12 ОТ ГОСТ 6402-70 | - | ||||
| 15 | Крышка | 2001-12-74 | ||||
| 16 | Прокладка | 45 0272 | ||||
| 16 | Прокладка | 45 0272-20 | ||||
| 17 | Корпус | 2001-12-10 | ||||
| 18 | Прокладка | 45 0271 | ||||
| 18 | Прокладка | 45 0271-20 | ||||
| 19 | Крышка | 2001-12-75 | ||||
| 21 | Шайба | 31 5220 | ||||
| 22 | Болт специальный | 2501-12-218-02 | ||||
| 23 | Кольцо 030-035-30-2-ИРП-1314-1 ГОСТ 18829-73 | - | ||||
| 24 | Пробка 3-КГ 1/4? ТУ 23.1.506-91 | 37 0260 | ||||
| 25 | Штифт | 32 5382 | ||||
| 26 | Кольцо | 40 04668-31 | ||||
| 27 | Коробка передач планетарная | 2001-12-20СП(SP) | ||||
Обращаем Ваше внимание, что пункты отмеченные звездочкой, обязательны для заполнения.