| ||||||
| № п/п | Наименование | Код детали | ||||
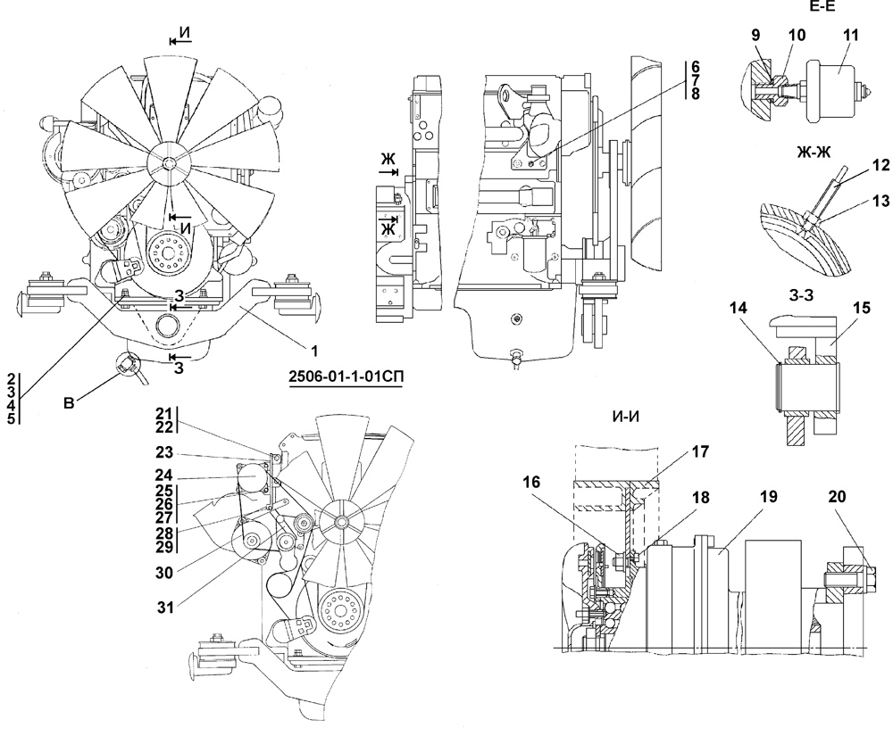
| 1 | Опора передняя | 2506-01-102СП(SP) | ||||
| 1 | Опора передняя | 2506-01-102-20СП(SP) | ||||
| 2 | Шайба | 31 5317 | ||||
| 2 | Шайба | 31 5317-20 | ||||
| 3 | Болт М20x1,5-6gx70 ГОСТ 7796-70 | 28 0732 | ||||
| 3 | Болт М20x1,5-6gx70 ГОСТ 7796-70 | 28 0732-20 | ||||
| 4 | Гайка М20x1,5 ГОСТ 5916-70 | 30 0310 | ||||
| 4 | Гайка М20x1,5 ГОСТ 5916-70 | 30 0310-20 | ||||
| 5 | Гайка М20x1,5 ГОСТ 5916-70 | 30 0325 | ||||
| 5 | Гайка М20x1,5 ГОСТ 5916-70 | 30 0325-20 | ||||
| 6 | Переходник | 2506-01-10 | ||||
| 6 | Переходник | 2506-01-10-20 | ||||
| 7 | Датчик ТМ100В указателя температуры ТУ 37.003.800-77 | 45 7382 5054 | ||||
| 7 | Датчик ТМ100В-Т указателя температуры ТУ 37.003.800-77 | 45 7382 5055 | ||||
| 8 | Прокладка | 2702-54-24 | ||||
| 9 | Кольцо 14x20 МН4152-62 | - | ||||
| 10 | Переходник | 2506-01-7 | ||||
| 10 | Переходник | 2506-01-7-20 | ||||
| 11 | Датчик указателя давления масла ММ355 ТУ 37.003.387-78 | 45 7382 6081 | ||||
| 11 | Датчик указателя давления масла ММ355-Т ТУ 37.003.387-78 | 45 7382 6083 | ||||
| 12 | Датчик импульсный | 2506-10-103-01СП(SP) | ||||
| 12 | Датчик импульсный | 2506-10-103-01-20СП | ||||
| 13 | Контргайка | - | ||||
| 14 | Кольцо С80 ГОСТ 13940-86 | 700-58-2122 | ||||
| 15 | Кронштейн передний нижний | 2506-01-104СП(SP) | ||||
| 15 | Кронштейн передний нижний | 2506-01-104-20СП(SP) | ||||
| 16 | Гайка М8 | - | ||||
| 17 | Крыльчатка вентилятора 368500-36Р | - | ||||
| 18 | Болт М8 | - | ||||
| 19 | Муфта вентилятора LA1.2.0160Y | - | ||||
| 20 | Болт М12 | - | ||||
| 21 | Втулка распорная** | 2506-01-11 | ||||
| 21 | Втулка распорная | 2506-01-11-20 | ||||
| 22 | Болт специальный** | 2506-01-12 | ||||
| 22 | Болт специальный | 2506-01-12-20 | ||||
| 23 | Кронштейн** | 313516-01-101СП(SP) | ||||
| 23 | Кронштейн | 313516-01-101-20СП | ||||
| 24 | Компрессор кондиционераSD5H14** | - | ||||
| 25 | Ось** | 2501-01-21 | ||||
| 25 | Ось | 2501-01-21-20 | ||||
| 26 | Гайка М8** | - | ||||
| 27 | Шайба 8Т ГОСТ 6402-70** | - | ||||
| 28 | Болт М10-6gx25 ГОСТ 7796-70 | 28 0230** | ||||
| 28 | Болт М10-6gx25 ГОСТ 7796-70 | 28 0230-20 | ||||
| 29 | Шайба 10 ГОСТ 11371-78 | 31 0170** | ||||
| 29 | Шайба 10 ГОСТ 11371-78 | 31 0170-20 | ||||
| 30 | Ремень 3102145** L=1575 мм | - | ||||
| 31 | Планка** | 2506-01-13 | ||||
| 31 | Планка | 2506-01-13-20 | ||||
Обращаем Ваше внимание, что пункты отмеченные звездочкой, обязательны для заполнения.