| ||||||
| № п/п | Наименование | Код детали | ||||
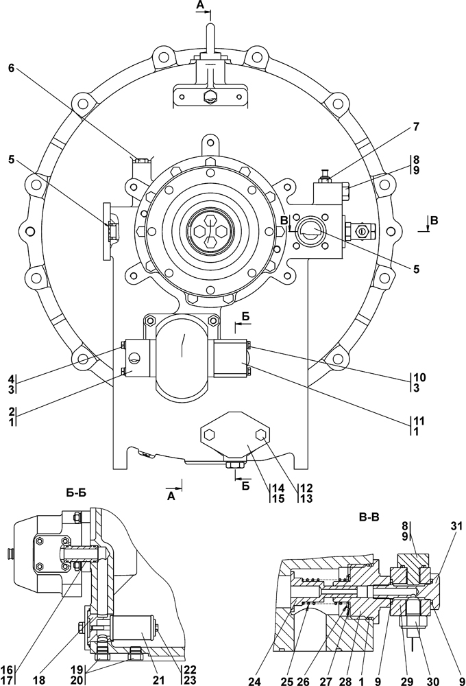
| 0 | Гидротрансформатор | 2501-14-12СП(SP) | ||||
| 0 | Гидротрансформатор | 2501-14-12-20СП(SP) | ||||
| 1 | Кольцо 045-050-30-2-51-1668 ТУ 2531-260-00149245-00 | - | ||||
| 2 | Фланец | 2501-14-123CП(SP) | ||||
| 2 | Фланец | 2501-14-123-20СП(SP) | ||||
| 3 | Шайба 8Т ГОСТ 6402-70 | - | ||||
| 4 | Болт М8-6gx55 ГОСТ 7795-70 | - | ||||
| 5 | Пробка | 44 0006 | ||||
| 6 | Пробка | 700-37-2077 | ||||
| 7 | Датчик ТМ100-В ТУ 37003.800-77 | - | ||||
| 7 | Датчик ТМ100-ВТ ТУ 37003.800-77 | - | ||||
| 8 | Пробка | 37 5331 | ||||
| 8 | Пробка | 37 5331-20 | ||||
| 9 | Кольцо 018-022-25-2-51-1668 ТУ 2531-260-00149245-00 | - | ||||
| 10 | Болт М8-6gx75 ГОСТ 7796-70 | 28 0165 | ||||
| 10 | Болт М8-6gx75 ГОСТ 7796-70 | 28 0165-20 | ||||
| 11 | Фланец | 2001-14-57 | ||||
| 12 | Болт М12-6gx30 ГОСТ 7796-70 | - | ||||
| 13 | Шайба 12 ОТ ГОСТ 6402-70 | - | ||||
| 14 | Крышка | 2001-14-27 | ||||
| 15 | Кольцо 066-071-30-2-51-1668 ТУ 2531-260-00149245-00 | - | ||||
| 16 | Втулка | 2001-14-58-02 | ||||
| 17 | Кольцо 025-030-30-2-51-1668 ТУ 2531-260-00149245-00 | - | ||||
| 18 | Втулка | 2001-14-49 | ||||
| 19 | Пробка | 37 5625 | ||||
| 19 | Пробка | 37 5625-20 | ||||
| 20 | Кольцо 016-020-25-2-51-1668 ТУ 2531-260-00149245-00 | - | ||||
| 21 | Маслозаборник | 312501-90-24СП(SP) | ||||
| 22 | Болт М8-6gx75 ГОСТ 7796-70 | 28 0187 | ||||
| 22 | Болт М8-6gx75 ГОСТ 7796-70 | 28 0187-20 | ||||
| 23 | Втулка | 2001-14-37 | ||||
| 24 | Втулка | 2501-14-58 | ||||
| 25 | Пружина | 38327 | ||||
| 26 | Кольцо | 47-59-205 | ||||
| 27 | Шайба | 46-05-764 | ||||
| 28 | Пробка | 2501-14-59 | ||||
| 29 | Переходник | 1101-15-52 | ||||
| 29 | Переходник | 1101-15-52-20 | ||||
| 30 | Датчик аварийного давления масла 3602.3829 ТУ37.453.092-93 | - | ||||
| 31 | Болт зажимной | 2501-20-8-01 | ||||
| 31 | Болт зажимной | 2501-20-8-01-20 | ||||
Обращаем Ваше внимание, что пункты отмеченные звездочкой, обязательны для заполнения.