| № п/п | № рис. | Наименование | Код детали | УХЛ | Т | У |
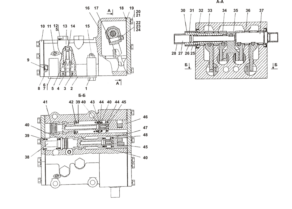
| 0 | 1 | Блок управления | 1501-15-41СП | 1 |
- | - |
| 0 | 1 | Блок управления | 1501-15-41-20СП | - |
1 | - |
| 0 | 1 | Пробка | 37 5331-20 | - |
4 | - |
| 1 | 1 | Болт М12-6gx75 | 280 366 | 4 |
4 | - |
| 2 | 1 | Прокладка | 450 329 | 1 |
1 | - |
| 3 | 1 | Кольцо 024-028-25-2-51-1668 | - | 1 |
1 | - |
| 4 | 1 | Корпус | 1501-15-72 | 1 |
1 | - |
| 5 | 1 | Кольцо 018-022-25-2-51-1668 | - | 5 |
5 | - |
| 6 | 1 | Заглушка | 2501-15-151 | 1 |
1 | - |
| 7 | 1 | Крышка | 1501-15-71 | 1 |
1 | - |
| 8 | 1 | Прокладка | 450 299 | 1 |
- | - |
| 8 | 1 | Прокладка | 45 0299-20 | - |
1 | - |
| 9 | 1 | Пробка | 700-37-2182-01 | 2 |
- | - |
| 9 | 1 | Пробка | 700-37-2182-01-20 | - |
2 | - |
| 10 | 1 | Крышка | 1501-15-60 | 1 |
1 | - |
| 11 | 1 | Пробка 3 кг ? ТУ 23.1.506-91 | 370 260 | 2 |
2 | - |
| 12 | 1 | Пробка | 375 331 | 4 |
- | - |
| 13 | 1 | Пружина | 38 5050-05 | 1 |
1 | - |
| 14 | 1 | Клапан | 1501-15-46 | 1 |
1 | - |
| 15 | 1 | Гайка М12 | - | 4 |
4 | - |
| 16 | 1 | Корпус | 1501-15-49 | 1 |
- | - |
| 16 | 1 | Корпус | 1501-15-49-20 | - |
1 | - |
| 17 | 1 | Клин | 31 2501-91-157 | 5 |
5 | - |
| 18 | 1 | Прокладка | 450 298 | 1 |
- | - |
| 18 | 1 | Прокладка | 45 0298-20 | - |
1 | - |
| 19 | 1 | Крышка | 1501-15-61 | 1 |
1 | - |
| 20 | 1 | Болт М8-6gx25 | - | 18 |
18 | - |
| 21 | 1 | Шайба 8Т | - | 18 |
18 | - |
| 22 | 1 | Гайка М6 | - | 5 |
5 | - |
| 23 | 1 | Шайба 6Т | - | 5 |
5 | - |
| 24 | 1 | Прокладка | 2501-15-226 | 5 |
5 | - |
| 25 | 1 | Подшипник 941/15 | - | 2 |
2 | - |
| 26 | 1 | Кольцо 016-020-25-2-51-1668 | - | 1 |
1 | - |
| 27 | 1 | Валик | 1501-15-55 | 1 |
1 | - |
| 28 | 1 | Труба | 2501-15-152-01 | 2 |
2 | - |
| 30 | 1 | Труба | 2501-15-152 | 1 |
1 | - |
| 31 | 1 | Валик | 1501-15-57 | 1 |
1 | - |
| 32 | 1 | Манжета 2.2-30x52-3 ГОСТ 8752-79 | - | 2 |
2 | - |
| 33 | 1 | Рычаг | 1501-15-59 | 2 |
2 | - |
| 34 | 1 | Рычаг | 1501-15-37 | 2 |
2 | - |
| 35 | 1 | Рычаг | 1501-15-36 | 1 |
1 | - |
| 36 | 1 | Подшипник 941/30 | - | 4 |
4 | - |
| 37 | 1 | Валик | 1501-15-56 | 1 |
1 | - |
| 38 | 1 | Золотник | 1501-15-51 | 2 |
2 | - |
| 39 | 1 | Пружина | 385 581 | 4 |
4 | - |
| 40 | 1 | Кольцо | 47-59-205 | 32 |
32 | - |
| 41 | 1 | Золотник | 1501-15-50 | 2 |
2 | - |
| 42 | 1 | Кольцо | 1501-15-64 | 2 |
2 | - |
| 43 | 1 | Упор | 1501-15-68 | 2 |
2 | - |
| 44 | 1 | Кольцо | 1501-15-69 | 2 |
2 | - |
| 44 | 1 | Пружина | 385 391 | 2 |
2 | - |
| 45 | 1 | Плунжер | 1501-15-52 | 4 |
4 | - |
| 46 | 1 | Толкатель | 1501-15-53 | 2 |
2 | - |
| 47 | 1 | Пружина | 385 579 | 2 |
2 | - |
| 48 | 1 | Толкатель | 1501-15-54 | 2 |
2 | - |