| № п/п | № рис. | Наименование | Код детали | УХЛ | Т | У |
| 0 | 0 | Привод управления | 312001-13-50СП | 1 |
- | - |
| 0 | 0 | Привод управления | 312001-13-50-20СП | - |
1 | - |
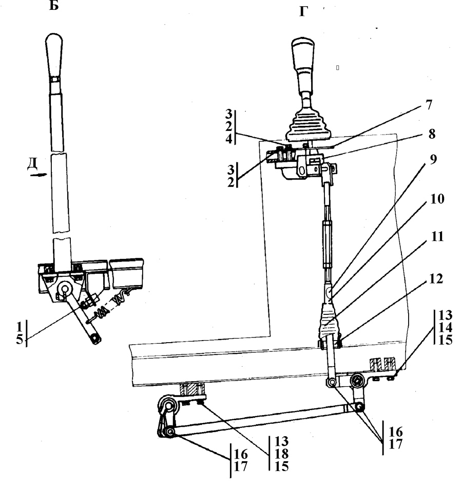
| 1 | 1 | Тяга | 312001-13-136СП | 2 |
- | - |
| 1 | 1 | Тяга | 312001-13-136-20СП | - |
2 | - |
| 2 | 1 | Корпус | 312001-13-20СП | 1 |
- | - |
| 2 | 1 | Корпус | 312001-13-20-20СП | - |
1 | - |
| 3 | 1 | Шайба 10.ОТ | - | 47 |
47 | - |
| 4 | 1 | Болт М10-6gx40 | 280 250 | 6 |
- | - |
| 4 | 1 | Болт М10-6gx40 | 28 0250-20 | - |
6 | - |
| 5 | 1 | Шпонка 5x7,5 ГОСТ 24071-80 | 340 350 | 2 |
2 | - |
| 6 | 1 | Болт М8-6gx30 | - | 6 |
6 | - |
| 7 | 1 | Педаль | 3501-13-138СП | 1 |
- | - |
| 7 | 1 | Педаль | 3501-13-138-20СП | - |
1 | - |
| 8 | 1 | Накладка педали | 40 0359-01 | 1 |
1 | - |
| 9 | 1 | Мостик | 312001-13-120СП | 1 |
- | - |
| 9 | 1 | Мостик | 312001-13-120-20СП | - |
1 | - |
| 10 | 1 | Гайка М12x1,25 | 300 220 | 6 |
- | - |
| 10 | 1 | Гайка М12x1,25 | 30 0220-20 | - |
6 | - |
| 11 | 1 | Растяжка | 2501-13-96 | 1 |
- | - |
| 11 | 1 | Растяжка | 2501-13-96-20 | - |
1 | - |
| 12 | 1 | Пружина | 700-38-2742-01 | 1 |
- | - |
| 12 | 1 | Пружина | 700-38-2742-01-20 | - |
1 | - |
| 13 | 1 | Мостик | 312001-13-39-01СП | 1 |
- | - |
| 13 | 1 | Мостик | 312001-13-39-01-20СП | - |
1 | - |
| 14 | 1 | Тяга | 312001-13-65СП | 1 |
- | - |
| 14 | 1 | Тяга | 312001-13-65-20СП | - |
1 | - |
| 16 | 1 | Гайка М6 ГОСТ 5915-70 | - | 22 |
22 | - |
| 17 | 1 | Мостик | 3501-13-202СП | 1 |
1 | - |
| 18 | 1 | Тяга | 3501-13-200СП | 1 |
1 | - |
| 20 | 1 | Шплинт 3,2x14 ГОСТ 397-79 | - | 18 |
18 | - |
| 21 | 1 | Педаль | 312001-13-77СП | 1 |
- | - |
| 21 | 1 | Педаль | 312001-13-77-20СП | - |
1 | - |
| 22 | 1 | Тяга | 312001-13-40СП | 1 |
- | - |
| 22 | 1 | Тяга | 312001-13-40-20СП | - |
1 | - |
| 23 | 1 | Шайба 8 | 310 150 | 4 |
- | - |
| 23 | 1 | Шайба 8 | 31 0150-20 | - |
4 | - |
| 24 | 1 | Шайба 8Т | - | 21 |
21 | - |
| 26 | 1 | Мостик | 312001-13-119СП | 1 |
- | - |
| 26 | 1 | Мостик | 312001-13-119-20СП | - |
1 | - |
| 29 | 1 | Ось | 404-13-269 | 20 |
- | - |
| 29 | 1 | Ось | 404-13-269-20 | - |
20 | - |
| 30 | 1 | Болт М8-6gx25 | - | 12 |
12 | - |
| 31 | 1 | Тяга | 3501-13-218СП | 1 |
1 | - |
| 32 | 1 | Мостик | 312001-13-110СП | 1 |
- | - |
| 32 | 1 | Мостик | 312001-13-110-20СП | - |
1 | - |
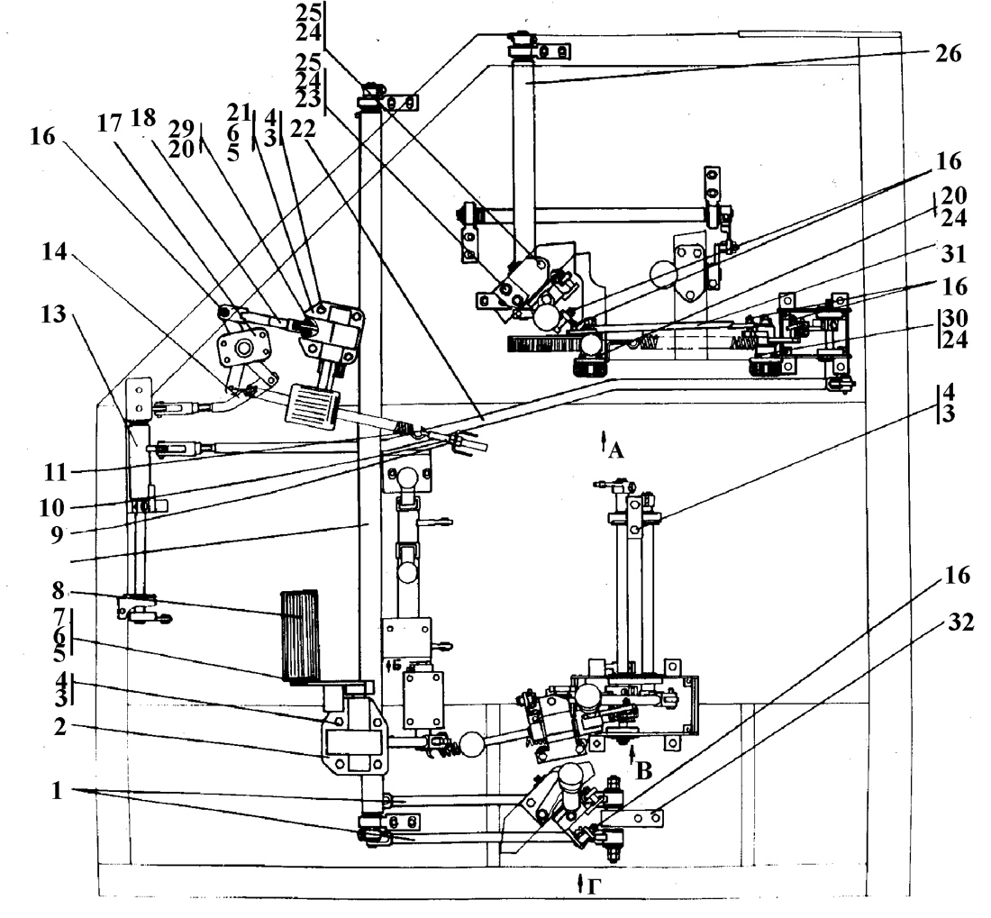
| 1 | 2 | Мостик | 3501-13-230-02СП | 1 |
- | - |
| 1 | 2 | Мостик | 3501-13-230-02-20СП | - |
1 | - |
| 2 | 2 | Крышка | ТТ2501-13-189СП | 1 |
1 | - |
| 3 | 2 | Ось | 404-13-269 | 20 |
- | - |
| 3 | 2 | Ось | 404-13-269-20 | - |
20 | - |
| 4 | 2 | Шплинт 3,2x14.019 ГОСТ 397-79 | - | 18 |
18 | - |
| 5 | 2 | Болт М10-6gx30 | - | 42 |
42 | - |
| 6 | 2 | Шайба 10.ОТ | - | 47 |
47 | - |
| 7 | 2 | Шайба 10 | - | 25 |
25 | - |
| 8 | 2 | Мостик | 312001-13-140СП | 1 |
- | - |
| 8 | 2 | Мостик | 312001-13-140-20СП | - |
1 | - |
| 9 | 2 | Пружина | 700-38-2552 | 1 |
1 | - |
| 10 | 2 | Гайка М6 ГОСТ 5915-70 | - | 22 |
22 | - |
| 11 | 2 | Болт М8-6gx25 | - | 12 |
12 | - |
| 12 | 2 | Шайба 8Т | - | 21 |
21 | - |
| 13 | 2 | Тяга | 312001-13-134-02СП | 1 |
- | - |
| 13 | 2 | Тяга | 312001-13-134-02-20СП | - |
1 | - |
| 14 | 2 | Тяга | 312001-13-134-03СП | 1 |
- | - |
| 14 | 2 | Тяга | 312001-13-134-03-20СП | - |
1 | - |
| 15 | 2 | Сектор | 3501-13-253СП | 1 |
1 | - |
| 16 | 2 | Блок управления | 3501-13-171-01СП | 1 |
- | - |
| 16 | 2 | Блок управления | 3501-13-171-01-20СП | - |
1 | - |
| 17 | 2 | Болт М8-6gx45 ГОСТ 7795-70 | - | 9 |
9 | - |
| 18 | 2 | Накладка | 312001-13-147СП | 1 |
1 | - |
| 19 | 2 | Накладка | 312001-13-128 | 1 |
1 | - |
| 20 | 2 | Пружина | 700-38-2563 | 1 |
- | - |
| 20 | 2 | Пружина | 700-38-2563-20 | - |
1 | - |
| 21 | 2 | Корпус | 3501-13-128 | 1 |
1 | - |
| 22 | 2 | Фиксатор | 3501-13-183 | 1 |
1 | - |
| 23 | 2 | Рукоятка | 2501-13-309СП | 1 |
1 | - |
| 25 | 2 | Рукоятка | 2501-13-299 | 4 |
4 | - |
| 28 | 2 | Блок управления | 312001-13-141СП | 1 |
- | - |
| 28 | 2 | Блок управления | 312001-13-141-20СП | - |
1 | - |
| 29 | 2 | Тяга | 3501-13-135СП | 1 |
- | - |
| 29 | 2 | Тяга | 3501-13-135-20СП | - |
1 | - |
| 30 | 2 | Мостик | 3501-13-215СП | 1 |
- | - |
| 30 | 2 | Мостик | 3501-13-215-20СП | - |
1 | - |
| 31 | 2 | Зажим | 404-03-2 | 5 |
- | - |
| 31 | 2 | Зажим | 404-13-2-20 | - |
5 | - |
| 32 | 2 | Чехол | 700-40-6662 | 5 |
5 | - |
| 33 | 2 | Тяга | 3501-13-214СП | 1 |
1 | - |
| 34 | 2 | Болт М6-6gx16 ГОСТ 7798-70 | - | 9 |
9 | - |
| 35 | 2 | Шайба 6Т | - | 9 |
9 | - |
| 36 | 2 | Шайба 6 | - | 9 |
9 | - |
| 1 | 3 | Мостик | 312001-13-11СП | 1 |
- | - |
| 1 | 3 | Мостик | 312001-13-11-20СП | - |
1 | - |
| 2 | 3 | Крышка | ТТ2501-13-159-01СП | 1 |
- | - |
| 2 | 3 | Крышка | ТТ2501-13-159-01-20СП | - |
1 | - |
| 3 | 3 | Болт М6-6gx16 | - | 9 |
9 | - |
| 4 | 3 | Шайба 6Т | - | 9 |
9 | - |
| 5 | 3 | Шайба 6 | 310 110 | 9 |
- | - |
| 5 | 3 | Шайба 6 | 31 0110-20 | - |
9 | - |
| 6 | 3 | Ось | 404-13-269 | 20 |
- | - |
| 6 | 3 | Ось | 404-13-269-20 | - |
20 | - |
| 7 | 3 | Шплинт 3,2x14 ГОСТ 397-79 | - | 18 |
18 | - |
| 8 | 3 | Болт М10-6gx30 | - | 42 |
42 | - |
| 9 | 3 | Шайба 10.ОТ | - | 47 |
47 | - |
| 10 | 3 | Мостик | 312001-13-15СП | 1 |
- | - |
| 10 | 3 | Мостик | 312001-13-15-20СП | - |
1 | - |
| 11 | 3 | Болт М10-6gx40 | 280 250 | 6 |
- | - |
| 11 | 3 | Болт М10-6gx40 | 28 0250-20 | - |
6 | - |
| 12 | 3 | Ось | 404-13-269-01 | 2 |
- | - |
| 12 | 3 | Ось | 404-13-269-01-20 | - |
2 | - |
| 13 | 3 | Мостик | 312001-13-21СП | 1 |
- | - |
| 13 | 3 | Мостик | 312001-13-21-20СП | - |
1 | - |
| 14 | 3 | Ухо | 46-13-174 | 1 |
- | - |
| 14 | 3 | Ухо | 46-13-174-20 | - |
1 | - |
| 15 | 3 | Шайба 10 | 310 170 | 25 |
- | - |
| 15 | 3 | Шайба 10 | 31 0170-20 | - |
25 | - |
| 16 | 3 | Тяга | 312001-13-26-01СП | 1 |
- | - |
| 16 | 3 | Тяга | 312001-13-26-01-20СП | - |
1 | - |
| 17 | 3 | Пружина | 700-38-2757-01 | 3 |
- | - |
| 17 | 3 | Пружина | 700-38-2757-01-20 | - |
3 | - |
| 18 | 3 | Ось | 404-13-269-02 | 1 |
- | - |
| 18 | 3 | Ось | 404-13-269-02-20 | - |
1 | - |
| 19 | 3 | Рукоятка | 46-23-133 | 1 |
1 | - |
| 20 | 3 | Блок управления | 3501-13-143СП | 1 |
- | - |
| 20 | 3 | Блок управления | 3501-13-143-20СП | - |
1 | - |
| 21 | 3 | Тяга | 312501-13-106-02СП | 1 |
- | - |
| 21 | 3 | Тяга | 312501-13-106-02-20СП | - |
1 | - |
| 22 | 3 | Тяга | 312001-13-28СП | 1 |
- | - |
| 22 | 3 | Тяга | 312001-13-28-20СП | - |
1 | - |
| 23 | 3 | Тяга | ТТ2501-13-227-01СП | 1 |
- | - |
| 23 | 3 | Тяга | ТТ2501-13-227-01-20СП | - |
1 | - |
| 24 | 3 | Рукоятка | ТТ2501-13-142 | 2 |
2 | - |
| 25 | 3 | Мостик | 312001-13-60СП | 1 |
- | - |
| 25 | 3 | Мостик | 312001-13-60-20СП | - |
1 | - |
| 29 | 3 | Гайка М6-6Н ГОСТ 5915-70 | - | 22 |
22 | - |
| 30 | 3 | Втулка | 404-13-126 | 1 |
- | - |
| 30 | 3 | Втулка | 404-13-126-20 | - |
1 | - |
| 31 | 3 | Ось | 404-13-128 | 1 |
- | - |
| 31 | 3 | Ось | 404-13-128-20 | - |
1 | - |
| 1 | 4 | Упор | 2501-13-196 | 3 |
- | - |
| 1 | 4 | Упор | 2501-13-196-20 | - |
3 | - |
| 2 | 4 | Шайба 8Т | - | 21 |
21 | - |
| 3 | 4 | Болт М8-6gx45 ГОСТ 7795-70 | - | 9 |
9 | - |
| 4 | 4 | Шайба 8 | 310 150 | 4 |
- | - |
| 4 | 4 | Шайба 8 | 31 0150-20 | - |
4 | - |
| 6 | 4 | Гайка М12x1,25 | 300 220 | 6 |
- | - |
| 6 | 4 | Гайка М12x1,25 | 30 0220-20 | - |
6 | - |
| 7 | 4 | Накладка | 312001-13-127 | 1 |
1 | - |
| 8 | 4 | Блок управления | 3501-13-171-01СП | 2 |
- | - |
| 8 | 4 | Блок управления | 3501-13-171-01-20СП | - |
2 | - |
| 9 | 4 | Тяга | 312001-13-134СП | 1 |
- | - |
| 9 | 4 | Тяга | 312001-13-134-20СП | - |
1 | - |
| 10 | 4 | Тяга | 312001-13-134-01СП | 1 |
- | - |
| 10 | 4 | Тяга | 312001-13-134-01-20СП | - |
1 | - |
| 11 | 4 | Чехол | 700-40-6662 | 5 |
5 | - |
| 12 | 4 | Зажим | 404-13-2 | 5 |
- | - |
| 12 | 4 | Зажим | 404-13-2-20 | - |
5 | - |
| 13 | 4 | Болт М10-6gx30 ГОСТ 7796-70 | - | 42 |
42 | - |
| 14 | 4 | Шайба 10.ОТ | - | 47 |
47 | - |
| 15 | 4 | Шайба 10 | 310 170 | 25 |
- | - |
| 15 | 4 | Шайба 10 | 31 0170-20 | - |
25 | - |
| 16 | 4 | Ось | 404-13-269 | 20 |
- | - |
| 16 | 4 | Ось | 404-13-269-20 | - |
20 | - |
| 17 | 4 | Шплинт 3,2x14 ГОСТ 397-79 | - | 18 |
18 | - |