| № п/п | № рис. | Наименование | Код детали | УХЛ | Т | У |
| 0 | 0 | Установка стрелы и полиспастов* | 312002-92-1СП | 1 |
- | - |
| 0 | 0 | Установка стрелы и полиспастов | 312002-92-1-20СП | - |
1 | - |
| 0 | 0 | Установка стрелы и полиспастов** | 312002-92-1--01СП | 1 |
- | - |
| 0 | 0 | Установка стрелы и полиспастов | 312002-92-1--01-20СП | - |
1 | - |
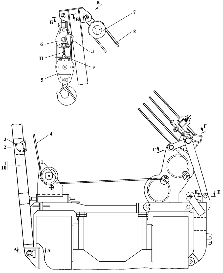
| 1 | 1 | Стрела* (допускается замена на поз.10) | 312002-92-21СП(SP) | 1 |
- | - |
| 1 | 1 | Стрела | 312002-92-21-20СП(SP) | - |
1 | - |
| 1 | 1 | Стрела** (допускается замена на поз.10) | 312002-92-28СП(SP) | 1 |
- | - |
| 1 | 1 | Стрела | 312002-92-28-20СП(SP) | - |
1 | - |
| 2 | 1 | Указатель вылета стрелы* | 312501-92-390СП(SP) | 1 |
- | - |
| 2 | 1 | Указатель вылета стрелы | 312501-92-390-20СП(SP) | - |
1 | - |
| 3 | 1 | Болт М8-6gx35 ГОСТ 7796-70 | - | 3 |
3 | - |
| 4 | 1 | Канат* | 312002-92-18СП(SP) | 1 |
1 | - |
| 4 | 1 | Канат** | 312002-92-18-02СП(SP) | 1 |
1 | - |
| 5 | 1 | Подвеска крюка | 312002-92-50СП(SP) | 1 |
- | - |
| 5 | 1 | Подвеска крюка | 312002-92-50-20СП(SP) | - |
1 | - |
| 6 | 1 | Обойма подвесная | 312002-92-60СП(SP) | 1 |
- | - |
| 6 | 1 | Обойма подвесная | 312002-92-60-20СП(SP) | - |
1 | - |
| 7 | 1 | Обойма стреловая | 313502-92-580-01СП(SP) | 1 |
- | - |
| 7 | 1 | Обойма стреловая | 313502-92-580--01-20СП | - |
1 | - |
| 8 | 1 | Канат* | 312002-92-18-01СП(SP) | 1 |
1 | - |
| 8 | 1 | Канат** | 312002-92-18-03СП(SP) | 1 |
1 | - |
| 9 | 1 | Груз | 312001-92-121СП(SP) | 1 |
1 | - |
| 10 | 1 | Стрела* (допускается замена на поз.1) | 312002-92-30СП(SP) | 1 |
- | - |
| 10 | 1 | Стрела | 312002-92-30-20СП(SP) | - |
1 | - |
| 10 | 1 | Стрела** (допускается замена на поз.1) | 312002-92-36СП(SP) | 1 |
- | - |
| 10 | 1 | Стрела | 312002-92-36-20СП(SP) | - |
1 | - |
| 1 | 2 | Ось | 312501-92-6 | 2 |
2 | - |
| 2 | 2 | Кольцо С80Ц9хр | 700-58-2122-01 | 4 |
- | - |
| 2 | 2 | Кольцо С80кд9хр | 700-58-2122-01-20 | - |
4 | - |
| 3 | 2 | Шайба 16 ОТ ГОСТ 6402-70 | - | 11 |
11 | - |
| 4 | 2 | Болт М16x1,5-6gx45 | 280 544 | 7 |
- | - |
| 4 | 2 | Болт М16x1,5-6gx45 | 28 0544-20 | - |
7 | - |
| 5 | 2 | Крышка | 312002-92-37 | 1 |
1 | - |
| 6 | 2 | Стойка | 312002-92-13СП(SP) | 2 |
- | - |
| 6 | 2 | Стойка | 312002-92-13-20СП(SP) | - |
2 | - |
| 7 | 2 | Стойка | 312501-92-260СП(SP) | 1 |
- | - |
| 7 | 2 | Стойка | 312501-92-260-20СП(SP) | - |
1 | - |
| 8 | 2 | Втулка | 312002-92-21 | 1 |
1 | - |
| 9 | 2 | Кольцо | 313502-92-12 | 4 |
4 | - |
| 10 | 2 | Втулка | 313502-92-11 | 3 |
3 | - |
| 11 | 2 | Кольцо | 312501-92-28 | 3 |
3 | - |
| 12 | 2 | Боковина | 313502-92-570СП(SP) | 1 |
- | - |
| 12 | 2 | Боковина | 313502-92-570-20СП(SP) | - |
1 | - |
| 13 | 2 | Кольцо С180 ГОСТ 13941-86 | 580 880 | 3 |
3 | - |
| 14 | 2 | Втулка | 313502-92-14 | 4 |
4 | - |
| 15 | 2 | Втулка | 313502-92-15 | 2 |
2 | - |
| 16 | 2 | Боковина | 313502-92-560СП(SP) | 1 |
- | - |
| 16 | 2 | Боковина | 313502-92-560-20СП(SP) | - |
1 | - |
| 17 | 2 | Стойка | 312501-92-260-01СП(SP) | 1 |
- | - |
| 17 | 2 | Стойка | 312501-92-260-01-20СП(SP) | - |
1 | - |
| 18 | 2 | Шайба регулировочная | 312501-92-15 | 8 |
8 | - |
| 19 | 2 | Ось | 312002-92-3 | 1 |
- | - |
| 19 | 2 | Ось | 312002-92-3-20 | - |
1 | - |
| 20 | 2 | Втулка | 312002-92-40 | 1 |
1 | - |
| 21 | 2 | Подшипник 60220 ГОСТ 7242-81 | - | 4 |
4 | - |
| 22 | 2 | Проставка | 312002-92-36 | 1 |
- | - |
| 22 | 2 | Проставка | 312002-92-36-20 | - |
1 | - |
| 1 | 3 | Масленка 1.2Ц6хр | - | 6 |
- | - |
| 1 | 3 | Масленка 1.2кд6хр | - | - |
6 | - |
| 2 | 3 | Палец | 312002-92-19СП(SP) | 2 |
2 | - |
| 3 | 3 | Прокладка | 312501-94-134 | 4 |
4 | - |
| 4 | 3 | Прокладка | 312501-94-134-01 | 4 |
4 | - |
| 5 | 3 | Планка | 46-98-2 | 2 |
- | - |
| 5 | 3 | Планка | 46-98-2-20 | - |
2 | - |
| 6 | 3 | Болт М16x1,5-6gx35 | - | 4 |
4 | - |
| 7 | 3 | Шайба 16.ОТ | - | 11 |
11 | - |
| 8 | 3 | Пробка | 375 780 | 2 |
2 | - |
| 9 | 3 | Ось | 312002-92-10 | 1 |
1 | - |
| 10 | 3 | Кольцо | 312501-92-519 | 5 |
5 | - |
| 11 | 3 | Шплинт 3,2x18 | - | 4 |
4 | - |
| 12 | 3 | Ось | 312501-92-515 | 1 |
- | - |
| 12 | 3 | Ось | 312502-92-515-20 | - |
1 | - |
| 13 | 3 | Кольцо | 312501-92-516 | 1 |
- | - |
| 13 | 3 | Кольцо | 312501-92-516-20 | - |
1 | - |
| 14 | 3 | Ригель | 313502-92-432 | 2 |
2 | - |
| 15 | 3 | Болт 3М16x1,5-6gx45 | 280 545 | 14 |
- | - |
| 15 | 3 | Болт 3М16x1,5-6gx45 | 28 0545-20 | - |
14 | - |
| 16 | 3 | Проволока 1,6-0-С ГОСТ 3282-74 | - | 1м |
1м | - |
| 17 | 3 | Ось | 313502-92-3 | 1 |
1 | - |
| 18 | 3 | Клин | 312001-92-5 | 1 |
- | - |
| 18 | 3 | Клин | 312001-92-5-20 | - |
1 | - |
| 20 | 3 | Гайка М16x1,5 | 300 275 | 4 |
- | - |
| 20 | 3 | Гайка М16x1,5 | 30 0275-20 | - |
4 | - |
| 21 | 3 | Скоба | 312002-92-16 | 1 |
1 | - |
| 22 | 3 | Зажим | 312002-92-17 | 1 |
1 | - |
| 23 | 3 | Крышка | 312002-92-37 | 2 |
2 | - |
| 23 | 3 | Блок (допускается замена на поз.24) | 313502-92-391 | 3 |
- | - |
| 23 | 3 | Блок | 313502-92-391-20 | - |
3 | - |
| 24 | 3 | Блок (допускается замена на поз.23) | 313502-92-402 | 3 |
- | - |
| 24 | 3 | Блок | 313502-92-402-20 | - |
3 | - |
| 25 | 3 | Шайба 20 | 310 330 | 4 |
- | - |
| 25 | 3 | Шайба 20 | 31 0330-20 | - |
4 | - |
| 26 | 3 | Палец | 313502-92-16 | 2 |
2 | - |
| 27 | 3 | Шплинт 5x50 | - | 4 |
4 | - |
| 28 | 3 | Стяжка | 313502-92-13 | 6 |
- | - |
| 28 | 3 | Стяжка | 313502-92-13-20 | - |
6 | - |
| 29 | 3 | Болт М12-6gx25 | - | 4 |
4 | - |
| 30 | 3 | Шайба 12.ОТ | - | 4 |
4 | - |
| 31 | 3 | Планка | 312501-92-45 | 2 |
2 | - |
| 32 | 3 | Палец | 312501-92-7 | 2 |
2 | - |
| 33 | 3 | Ролик | 312002-92-33 | 3 |
3 | - |
| 34 | 3 | Серьга | 312002-92-23СП(SP) | 1 |
- | - |
| 34 | 3 | Серьга | 312002-92-23-20СП(SP) | - |
1 | - |
| 35 | 3 | Ось | 312002-92-28 | 2 |
2 | - |
| 36 | 3 | Датчик усилия цифровой (ДУЦ) ЛГФИ.404176.023-06 | - | 1 |
1 | - |
| 38 | 3 | Стяжка | 313512-92-25СП | 1 |
- | - |
| 38 | 3 | Стяжка | 313512-92-25-20СП | - |
1 | - |
| 39 | 3 | Ось 6-14в12 ГОСТ 9650-80 | 47 0452-01 | 1 |
1 | - |
| 40 | 3 | Шплинт 3,2x25 | - | 4 |
4 | - |
| 41 | 3 | Шайба 14x3 | - | 1 |
1 | - |
| 42 | 3 | Качалка | 312002-92-22СП(SP) | 1 |
- | - |
| 42 | 3 | Качалка | 312002-92-22-20СП(SP) | - |
1 | - |
| 43 | 3 | Палец | 47-59-99 | 1 |
1 | - |
| 44 | 3 | Шайба 12x2 | 310 210 | 1 |
- | - |
| 44 | 3 | Шайба 12x2 | 31 0210-20 | - |
1 | - |
| 45 | 3 | Болт М16x1,25-6gx40 | - | 1 |
1 | - |
| 46 | 3 | Болт М16x1,5-6gx45 | 280 544 | 7 |
- | - |
| 46 | 3 | Болт М16x1,5-6gx45 | 28 0544-20 | - |
7 | - |
| 47 | 3 | Гайка М12x1,25 | 300 220 | 1 |
- | - |
| 47 | 3 | Гайка М12x1,25 | 30 0220-20 | - |
1 | - |
| 48 | 3 | Клин | 312501-90-155 | 1 |
- | - |
| 48 | 3 | Клин | 312501-90-155-20 | - |
1 | - |
| 49 | 3 | Ось | 312002-92-29 | 1 |
1 | - |
| 50 | 3 | Шайба | 315 390 | 1 |
1 | - |
| 51 | 3 | Шплинт 4x36 | - | 1 |
1 | - |
| 52 | 3 | Крышка | 312002-92-38 | 1 |
- | - |
| 52 | 3 | Крышка | 312002-92-38-20 | - |
1 | - |
| 53 | 3 | Упор | 312002-92-44 | 1 |
1 | - |
| 54 | 3 | Ось 6-6в12x20 ГОСТ 9650-80 | 470 040 | 1 |
1 | - |
| 55 | 3 | Шайба 6 ГОСТ 11371-78 | 310 110 | 1 |
1 | - |
| 56 | 3 | Шплинт 1,6x14 ГОСТ 397-79 | - | 1 |
1 | - |
| 57 | 3 | Кольцо | 312002-92-70 | 4 |
- | - |
| 57 | 3 | Кольцо | 312002-92-70-20 | - |
4 | - |