| № п/п | № рис. | Наименование | Код детали | УХЛ | Т | У |
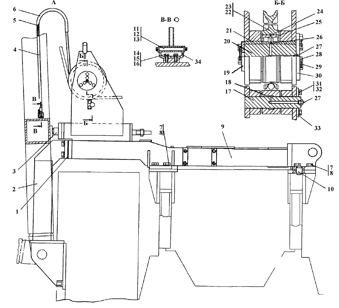
| 0 | 0 | Портал | 312002-95-1СП | 1 |
- | - |
| 0 | 0 | Портал | 312002-95-1-20СП | - |
1 | - |
| 1 | 1 | Рычаг | 313502-92-30СП | 2 |
- | - |
| 1 | 1 | Рычаг | 313502-92-30-20СП | - |
2 | - |
| 2 | 1 | Болт специальный | 312002-95-29 | 1 |
- | - |
| 2 | 1 | Болт специальный | 312002-95-29-20 | - |
1 | - |
| 3 | 1 | Гайка М12x1,25 | 300 230 | 1 |
- | - |
| 3 | 1 | Гайка М12x1,25 | 30 0230-20 | - |
1 | - |
| 4 | 1 | Шплинт 3,2x25 ГОСТ 397-79 | - | 3 |
3 | - |
| 5 | 1 | Крышка | 312001-95-61 | 1 |
- | - |
| 5 | 1 | Крышка | 312001-95-61-20 | - |
1 | - |
| 6 | 1 | Болт М12x1,25-6gx35 | - | 4 |
4 | - |
| 7 | 1 | Шайба 12 ГОСТ 6402-70 | - | 6 |
6 | - |
| 8 | 1 | Болт М27x2-6gx80 | - | 8 |
8 | - |
| 9 | 1 | Шайба 27x4 | 310 408 | 41 |
- | - |
| 9 | 1 | Шайба 27x4 | 31 0408-20 | - |
41 | - |
| 10 | 1 | Болт М27x2-6gx55 | 280 903 | 16 |
- | - |
| 10 | 1 | Болт М27x2-6gx55 | 28 0903-20 | - |
16 | - |
| 1 | 2 | Прокладка | 312002-95-19 | 10 |
10 | - |
| 2 | 2 | Кронштейн стрелы | 312002-95-16СП | 1 |
- | - |
| 2 | 2 | Кронштейн стрелы | 312002-95-16-20СП | - |
1 | - |
| 3 | 2 | Буфер | 312501-95-7СП | 1 |
- | - |
| 3 | 2 | Буфер | 312501-95-7-20СП | - |
1 | - |
| 4 | 2 | Рычаг | 313502-92-30СП | 2 |
- | - |
| 4 | 2 | Рычаг | 313502-92-30-20СП | - |
2 | - |
| 5 | 2 | Проволока | 313502-95-86 | - |
- | - |
| 6 | 2 | Стяжка | 313502-92-33 | 1 |
1 | - |
| 7 | 2 | Болт М27x2-6g | 280 904 | 17 |
- | - |
| 7 | 2 | Болт М27x2-6g | 28 0904-20 | - |
17 | - |
| 8 | 2 | Шайба 27x4 | 310 408 | 41 |
- | - |
| 8 | 2 | Шайба 27x4 | 31 0408-20 | - |
41 | - |
| 9 | 2 | Распорка | 312002-95-10СП | 1 |
- | - |
| 9 | 2 | Распорка | 312002-95-10-20СП | - |
1 | - |
| 10 | 2 | Штифт | 325 760 | 1 |
1 | - |
| 11 | 2 | Ось | 475 470 | 1 |
1 | - |
| 12 | 2 | Шайба 16x1 | 310 280 | 2 |
- | - |
| 12 | 2 | Шайба 16x1 | 31 0280-20 | - |
2 | - |
| 13 | 2 | Шплинт 3,2x25 ГОСТ 397-79 | - | 3 |
3 | - |
| 14 | 2 | Болт М8-6gx16 | - | 2 |
2 | - |
| 15 | 2 | Шайба 8Т | - | 2 |
2 | - |
| 16 | 2 | Шайба 8 | 310 150 | 2 |
- | - |
| 16 | 2 | Шайба 8 | 31 0150-20 | - |
2 | - |
| 17 | 2 | Ось | 312002-95-24 | 1 |
- | - |
| 17 | 2 | Ось | 312002-95-24-20 | - |
1 | - |
| 18 | 2 | Ролик | 312001-95-67 | 1 |
- | - |
| 18 | 2 | Ролик | 312001-95-67-20 | - |
1 | - |
| 19 | 2 | Крышка | 312002-95-28 | 1 |
- | - |
| 19 | 2 | Крышка | 312002-95-28-20 | - |
1 | - |
| 20 | 2 | Ось | 312002-95-25 | 1 |
- | - |
| 20 | 2 | Ось | 312002-95-25-20 | - |
1 | - |
| 21 | 2 | Втулка | 312002-95-26 | 2 |
2 | - |
| 22 | 2 | Блок (допускается замена на поз.23) | 312501-92-481 | 1 |
- | - |
| 22 | 2 | Блок | 312501-92-481-20 | - |
1 | - |
| 23 | 2 | Блок (допускается замена на поз.22) | 312501-92-496 | 1 |
- | - |
| 23 | 2 | Блок | 312501-92-496-20 | - |
1 | - |
| 24 | 2 | Кольцо С150Ц9хр | 580 850 | 1 |
- | - |
| 24 | 2 | Кольцо С150кд15хр | 58 0850-20 | - |
1 | - |
| 25 | 2 | Подшипник 42217 ГОСТ 8328-75 | - | 2 |
2 | - |
| 26 | 2 | Кольцо | 312501-92-488 | 1 |
1 | - |
| 27 | 2 | Масленка 1.2.Ц6хр | - | 2 |
- | - |
| 27 | 2 | Масленка 1.2.кд6хр | - | - |
2 | - |
| 28 | 2 | Болт 3М12-6gx30 | 280 339 | 9 |
- | - |
| 28 | 2 | Болт 3М12-6gx30 | 28 0339-20 | - |
9 | - |
| 29 | 2 | Проволока 1,6-0-С ГОСТ 3282-74 | - | 0,5м |
0,5м | - |
| 30 | 2 | Крышка | 312002-95-27 | 1 |
- | - |
| 30 | 2 | Крышка | 312002-95-27-20 | - |
1 | - |
| 31 | 2 | Болт М12x1,25-6gx25 | - | 2 |
2 | - |
| 32 | 2 | Шайба 12 | - | 6 |
6 | - |
| 33 | 2 | Пластина | 312001-95-69 | 1 |
- | - |
| 33 | 2 | Пластина | 312001-95-69-20 | - |
1 | - |
| 34 | 2 | Кронштейн | 312001-95-24СП | 1 |
- | - |
| 34 | 2 | Кронштейн | 312001-95-24-20СП | - |
1 | - |