| ||||||
| № п/п | Наименование | Код детали | ||||
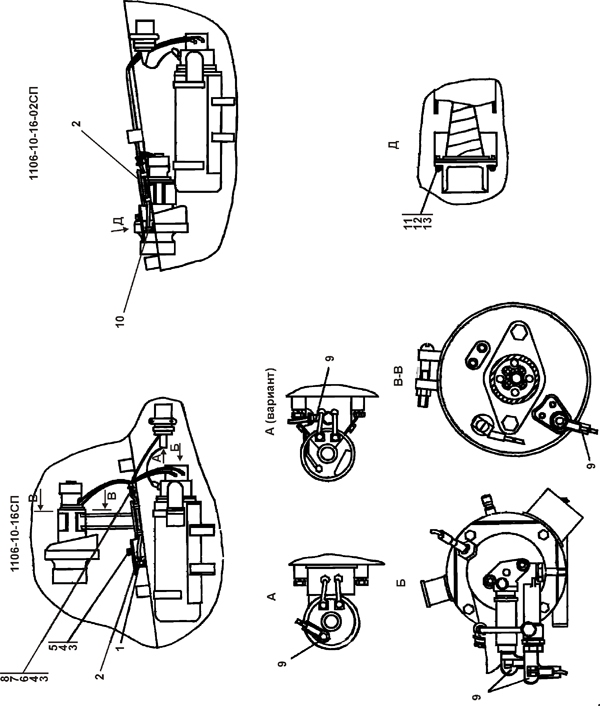
| 0 | Электрооборудование подогревателя ПЖД 30Г | 1106-10-16СП(SP) * | ||||
| 0 | Электрооборудование подогревателя ПЖД 30Г | 1106-10-16-20СП(SP) | ||||
| 0 | Электрооборудование подогревателя ПЖД 30Г | 1106-10-16-02СП(SP)** | ||||
| 0 | Электрооборудование подогревателя ПЖД 30Г | 1106-10-16-02-20СП-20(SP) | ||||
| 1 | Жгут | 1106-10-115СП(SP) * | ||||
| 10 | Жгут | 1102-10-101СП(SP) ** | ||||
| 2 | Кожух защитный | 1106-10-6 | ||||
| 8 | Хомутик | 41 5119 | ||||
| 8 | Хомутик | 41 5119 | ||||
| 9 | Наконечник | 700-40-5607 | ||||
| 7 | Прокладка | 700-40-6684-06 | ||||
| 8 | Прокладка | 700-40-6684-06 | ||||
| 6 | Болт М8-6g?16 | - | ||||
| 6 | Болт М8-6g?16 | - | ||||
| 5 | Болт М8-6g?25 | - | ||||
| 11 | Винт В.М3-6g?16 ГОСТ 17473-80 | - | ||||
| 12 | Шайба 3 | - | ||||
| 12 | Шайба 3 | - | ||||
| 4 | Шайба 8Т | - | ||||
| 13 | Шайба 3 | 31 0020 | ||||
| 3 | Шайба 8 | 31 0150 | ||||
| 3 | Шайба 8 | 31 0150 | ||||
Обращаем Ваше внимание, что пункты отмеченные звездочкой, обязательны для заполнения.