| ||||||
| № п/п | Наименование | Код детали | ||||
| 0 | Тележка* | 0901-21-12СП(SP) | ||||
| 0 | Тележка | 0901-21-12-20СП(SP) | ||||
| 0 | Тележка** | 0901-21-13СП(SP) | ||||
| 0 | Тележка | 0901-21-13-20СП(SP) | ||||
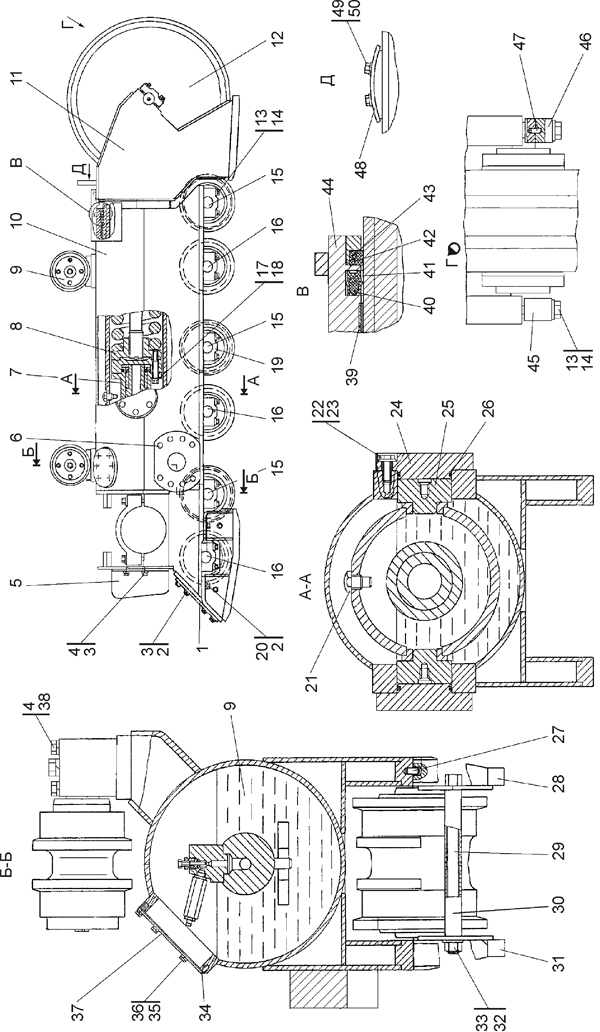
| 11 | Рама тележки передняя | 0901-21-109СП(SP) | ||||
| 11 | Рама тележки передняя | 0901-21-109-20СП(SP) | ||||
| 10 | Рама тележки** | 0901-21-111-01СП(SP) | ||||
| 10 | Рама тележки | 0901-21-111-01-20СП | ||||
| 10 | Рама тележки* | 0901-21-112СП(SP) | ||||
| 10 | Рама тележки | 0901-21-112-20СП(SP) | ||||
| 9 | Каток поддерживающий | 0901-21-115СП(SP) | ||||
| 9 | Каток поддерживающий | 0901-21-115-20СП(SP) | ||||
| 8 | Механизм сдавания | 0901-21-116СП(SP) | ||||
| 8 | Механизм сдавания | 0901-21-116-20СП(SP) | ||||
| 7 | Механизм натяжения** | 0901-21-117СП(SP) | ||||
| 7 | Механизм натяжения | 0901-21-117-20СП(SP) | ||||
| 7 | Механизм натяжения* | 0901-21-117-01СП(SP) | ||||
| 7 | Механизм натяжения | 0901-21-117-01 | ||||
| 15 | Каток опорный | 0901-21-140СП(SP) | ||||
| 15 | Каток опорный | 0901-21-140-20СП(SP) | ||||
| 16 | Каток опорный | 0901-21-140-01СП(SP) | ||||
| 16 | Каток опорный | 0901-21-140-01 | ||||
| 12 | Колесо натяжное | 0901-21-141СП(SP) | ||||
| 12 | Колесо натяжное | 0901-21-141-20СП(SP) | ||||
| 28 | Щиток | 0901-21-132СП(SP) | ||||
| 28 | Щиток | 0901-21-132-20СП(SP) | ||||
| 31 | Щиток | 0901-21-132-01СП(SP) | ||||
| 31 | Щиток | 0901-21-132-01 | ||||
| 5 | Отбойник** | 1101-21-30СП(SP) | ||||
| 5 | Отбойник | 1101-21-30-20СП(SP) | ||||
| 5 | Отбойник* | 1101-21-30-01СП(SP) | ||||
| 5 | Отбойник | 1101-21-30-01-20СП | ||||
| 42 | Манжета | 0901-21-62 | ||||
| 41 | Манжета | 0901-21-63 | ||||
| 37 | Крышка | 0901-21-71 | ||||
| 48 | Кожух | 0901-21-73 | ||||
| 48 | Кожух | 0901-21-73-20 | ||||
| 44 | Каркас | 0901-21-74 | ||||
| 1 | Лист | 0901-21-91 | ||||
| 30 | Труба | 0901-21-95 | ||||
| 39 | Втулка | 0901-21-99 | ||||
| 25 | Вкладыш | 1101-21-65-01 | ||||
| 19 | Крышка | 1101-21-109 | ||||
| 45 | Крышка | 1101-21-110 | ||||
| 45 | Крышка | 1101-21-110-20 | ||||
| 46 | Крышка | 1101-21-111 | ||||
| 46 | Крышка | 1101-21-111-20 | ||||
| 29 | Стяжка | 1101-21-190-02 | ||||
| 29 | Стяжка | 1101-21-190-02-20 | ||||
| 24 | Крышка | 1501-21-65 | ||||
| 21 | Стопор | 1501-21-227 | ||||
| 38 | Болт | 28 5582 | ||||
| 38 | Болт | 28 5582-20 | ||||
| 50 | Шайба | 31 0225 | ||||
| 50 | Шайба | 31 0225-20 | ||||
| 23 | Шайба | 31 5271 | ||||
| 23 | Шайба | 31 5271-20 | ||||
| 14 | Шайба | 31 5317 | ||||
| 14 | Шайба | 31 5317-20 | ||||
| 47 | Штифт | 32 0260 | ||||
| 27 | Штифт | 32 5381 | ||||
| 43 | Кольцо упругое | 40 0481 | ||||
| 40 | Кольцо упругое | 40 0483 | ||||
| 2 | Шайба | 700-31-2209 | ||||
| 2 | Шайба | 700-31-2209-20 | ||||
| 34 | Прокладка | 45 0337 | ||||
| 34 | Прокладка | 45 0337-20 | ||||
| 6 | Пробка | 7879-4201-04 | ||||
| 35 | Болт М8-6g?16 | - | ||||
| 49 | Болт М12-6g?20 | - | ||||
| 3 | Болт М16-6g?30 | 28 0521 | ||||
| 3 | Болт М16-6g?30 | 28 0521-20 | ||||
| 22 | Болт М16х1,5-6gх38 | 28 0535 | ||||
| 22 | Болт М16х1,5-6gх38 | 28 0535-20 | ||||
| 20 | Болт 3М16-6g?45 | 28 0543 | ||||
| 20 | Болт 3М16-6g?45 | 28 0543-20 | ||||
| 13 | Болт М20-6g?85 | 28 0742 | ||||
| 13 | Болт М20-6g?85 | 28 0742-20 | ||||
| 18 | Болт М20х1,5-6gх120 | 28 0750 | ||||
| 18 | Болт М20х1,5-6gх120 | 28 0750-20 | ||||
| 33 | Шайба 20?4 | 31 0310 | ||||
| 33 | Шайба 20?4 | 31 0310-20 | ||||
| 26 | Кольцо 088-095-46-2-51-1668 ТУ2531-260-00149245-00 | - | ||||
Обращаем Ваше внимание, что пункты отмеченные звездочкой, обязательны для заполнения.