| ||||||
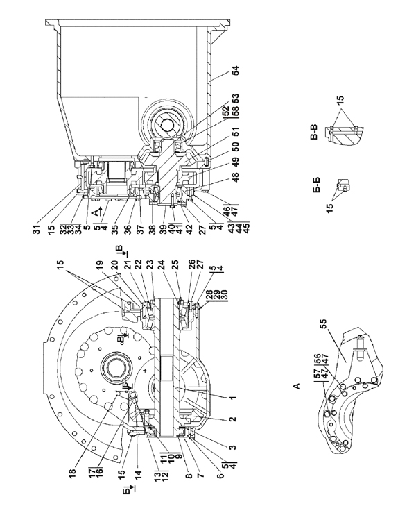
| № п/п | Наименование | Код детали | ||||
| 0 | Передача главная | 0901-12-12СП(SP) | ||||
| 0 | Передача главная | 0901-12-12-20СП(SP) | ||||
| 49 | Шестерня | 1101-12-106СП(SP) | ||||
| 55 | Кронштейн | 1101-12-108СП(SP) | ||||
| 37 | Шестерня | 1101-12-112СП(SP) | ||||
| 54 | Корпус | 0901-12-20 | ||||
| 31 | Корпус | 1101-12-41 | ||||
| 51 | Шестерня | 1101-12-45 | ||||
| 2 | Шестерня | 1101-12-46 | ||||
| 1 | Ступица | 1101-12-47 | ||||
| 36 | Стакан | 1101-12-48 | ||||
| 48 | Стакан | 1101-12-49 | ||||
| 6 | Стакан | 1101-12-50 | ||||
| 19 | Стакан | 1101-12-51 | ||||
| 26 | Втулка | 1101-12-52 | ||||
| 39 | Крышка | 1101-12-53 | ||||
| 38 | Пластина | 1101-12-54 | ||||
| 21 | Пластина | 1101-12-55 | ||||
| 11 | Болт призонный | 1101-12-56-01 | ||||
| 43 | Прокладка | 1101-12-57 | ||||
| 44 | Прокладка | 1101-12-57-01 | ||||
| 45 | Прокладка | 1101-12-57-02 | ||||
| 28 | Прокладка | 1101-12-58 | ||||
| 29 | Прокладка | 1101-12-58-01 | ||||
| 30 | Прокладка | 1101-12-58-02 | ||||
| 32 | Прокладка | 1101-12-59 | ||||
| 33 | Прокладка | 1101-12-59-01 | ||||
| 34 | Прокладка | 1101-12-59-02 | ||||
| 14 | Втулка | 1101-12-68 | ||||
| 24 | Шайба | 2601-12-40 | ||||
| 18 | Болт | 28 5221 | ||||
| 46 | Болт | 28 5386 | ||||
| 23 | Гайка | 30 5590 | ||||
| 47 | Шайба | 31 0225 | ||||
| 10 | Шайба | 31 5220 | ||||
| 4 | Шайба | 31 5186 | ||||
| 50 | Штифт | 32 5382 | ||||
| 15 | Пробка 3-кг1/4? ТУ23.1.506-91 | 37 0260 | ||||
| 13 | Угольник концевой | 415148-01 | ||||
| 17 | Гайка | 41 5165-05 | ||||
| 27 | Болт М10-6g?25 | 28 0230 | ||||
| 5 | Болт М10-6g?35 | 28 0210 | ||||
| 57 | Болт М12-6g?55 | 28 0376 | ||||
| 56 | Болт М12-6g?160 | 28 0395 | ||||
| 40 | Болт 3М14?1,5-6g?35 | 28 0500 | ||||
| 12 | Гайка М12 | - | ||||
| 9 | Гайка М14?1,5 | 30 0252 | ||||
| 25 | Винт М8-6g?16 ГОСТ 1478-93 | 35 0520 | ||||
| 53 | Кольцо С50 | 58 0510 | ||||
| 8 | Кольцо С80 | 700-58-2122 | ||||
| 3 | Кольцо С140 | 58 0836 | ||||
| 42 | Подшипник 97512А1 | - | ||||
| 22 | Подшипник 97518А1 | - | ||||
| 7 | Подшипник 32216 ГОСТ 8328-75 | - | ||||
| 52 | Подшипник 53610 ГОСТ 24696-81 | - | ||||
| 58 | Подшипник 22310W33 | - | ||||
| 35 | Подшипник 2007120А ТУ37.006162-89 | - | ||||
| 20 | Шарик Б6-200 ГОСТ3722-81 | - | ||||
| 16 | Проволока КС1 | - | ||||
| 41 | Проволока КС1,6 | - | ||||
Обращаем Ваше внимание, что пункты отмеченные звездочкой, обязательны для заполнения.