| ||||||
| № п/п | Наименование | Код детали | ||||
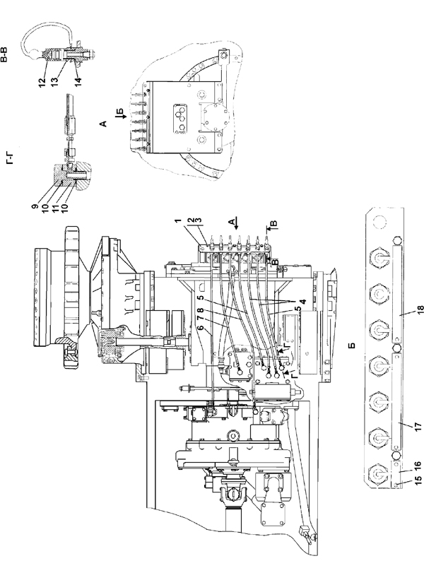
| 0 | Система диагностики | 1101-15-22СП(SP) | ||||
| 0 | Система диагностики | 1101-15-22-20СП(SP) | ||||
| 1 | Площадка | 1101-15-23СП(SP) | ||||
| 1 | Площадка | 1101-15-23-20СП(SP) | ||||
| 7 | Рукав для размера давления | 1101-15-24СП(SP) | ||||
| 5 | Рукав для замера давления | 1101-15-24-01СП(SP) | ||||
| 4 | Рукав для замера давления | 1101-15-24-02СП(SP) | ||||
| 6 | Рукав для замера давления | 1101-15-24-03СП(SP) | ||||
| 8 | Рукав для замера давления | 1101-15-24-04СП(SP) | ||||
| 11 | Угольник | 1101-15-40 | ||||
| 11 | Угольник | 1101-15-40-20 | ||||
| 9 | Болт зажимной | 2501-20-8 | ||||
| 9 | Болт зажимной | 2501-20-8-20 | ||||
| 16 | Табличка | 42 0402 | ||||
| 17 | Табличка | 42 0402-01 | ||||
| 18 | Табличка | 42 0402-02 | ||||
| 9 | Болт зажимной | 2501-20-8 | ||||
| 9 | Болт зажимной | 2501-20-8-20 | ||||
| 2 | Болт М8-6g?20 ГОСТ 7796-70 | - | ||||
| 3 | Шайба 8Т ГОСТ 6402-70 | - | ||||
| 10 | Кольцо 018-022-25-2-51-1668 ТУ2531-260-00149245-00 | - | ||||
| 15 | Заклёпка 3120-32-06 | - | ||||
| 13 | Вилка МБШ14/35-02 МБШ14/35-00 Г4 | 63 1315 0000 43 | ||||
| 14 | Кольцо уплотнительное торцевое комбинированное USIT ? МБШ14/35-00Г4 | 47 9144 0000 01 | ||||
| 12 | Вилка резиновая МБШ 14/35-12 МБШ 14/35-00Г4 | 63 1315 0000 42 | ||||
Обращаем Ваше внимание, что пункты отмеченные звездочкой, обязательны для заполнения.