| ||||||
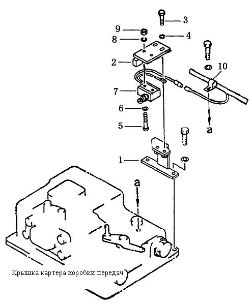
| № п/п | Наименование | Код детали | SD16 | SD16E | SD16L | |
| 1 | Кронштейн | 16Y-07-01000 | 1 | 1 | 1 | |
| 2 | Кронштейн | 16Y-07-02000 | 1 | 1 | 1 | |
| 3 | Болт | 01010-51025 | 2 | 2 | 2 | |
| 4 | Шайба | 01643-31032 | 2 | 2 | 2 | |
| 5 | Винт | 01220-40430 | 2 | 2 | 2 | |
| 6 | Шайба | 01602-20410 | 2 | 2 | 2 | |
| 7 | Выключатель предохранительный | D2590-00800 | 1 | 1 | 1 | |
| 8 | Шайба | 01602-20410 | 2 | 2 | 2 | |
| 9 | Гайка | 01580-10403 | 2 | 2 | 2 | |
| 10 | Хомут | 08035-01510 | 1 | 1 | 1 | |
Обращаем Ваше внимание, что пункты отмеченные звездочкой, обязательны для заполнения.