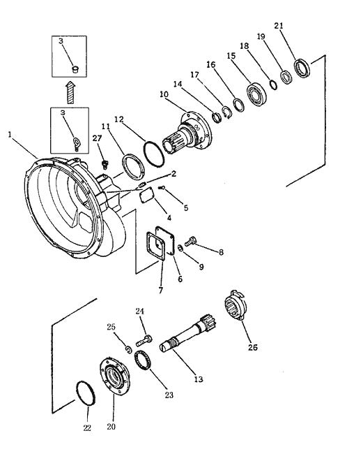
| ||||||
| № п/п | Наименование | Код детали | SD16 | SD16E | SD16L | |
| 0 | Гидротраснформатор | 16Y-11-00000 | 1 | 1 | 1 | |
| 1 | Картер | 16Y-11-00009 | 1 | 1 | 1 | |
| 2 | Пробка конусообразная | 07042-00108 | 1 | 1 | 1 | |
| 3 | Винт | 04530-11628 | 1 | 1 | 1 | |
| 4 | Шильдик | 09607-05080 | 1 | 1 | 1 | |
| 5 | Винт | 04418-03060 | 4 | 4 | 4 | |
| 6 | Крышка | 16Y-11-00023 | 1 | 1 | 1 | |
| 7 | Сальник | 16Y-11-00024 | 1 | 1 | 1 | |
| 8 | Болт | 01010-51225 | 4 | 4 | 4 | |
| 9 | Шайба | 01602-21236 | 4 | 4 | 4 | |
| 10 | Опора направляющего колеса | 16Y-11-00011 | 1 | 1 | 1 | |
| 11 | Кольцо уплотнительное | 16Y-11-00027 | 1 | 1 | 1 | |
| 12 | Кольцо круглого сечения | 07000-65140 | 1 | 1 | 1 | |
| 13 | Вал турбины | 16Y-11-00018 | 1 | 1 | 1 | |
| 14 | Кольцо уплотнительное | 16Y-11-00003 | 1 | 1 | 1 | |
| 15 | Подшипник 311 | GB276-64 | 1 | 1 | 1 | |
| 16 | Проставка | 16Y-11-00004 | 1 | 1 | 1 | |
| 17 | Кольцо стопорное | 04064-05520 | 1 | 1 | 1 | |
| 18 | Кольцо круглого сечения | 16Y-11-00006 | 1 | 1 | 1 | |
| 19 | Опора | 16Y-11-00007 | 1 | 1 | 1 | |
| 20 | Крышка | 16Y-11-00005 | 1 | 1 | 1 | |
| 21 | Уплотнение плавающее | 07011-10080 | 1 | 1 | 1 | |
| 22 | Кольцо круглого сечения | 07000-62135 | 1 | 1 | 1 | |
| 23 | Кольцо уплотнительное | 16Y-11-00026 | 1 | 1 | 1 | |
| 24 | Болт | 01010-51245 | 6 | 6 | 6 | |
| 25 | Шайба | 01602-21236 | 6 | 6 | 6 | |
| 26 | Муфта | 16Y-11-10000 | 1 | 1 | 1 | |
| 27 | Деталь соединительная | 16Y-11-00022 | 1 | 1 | 1 | |
Обращаем Ваше внимание, что пункты отмеченные звездочкой, обязательны для заполнения.