| ||||||
| № п/п | Наименование | Код детали | SD16 | SD16E | SD16L | |
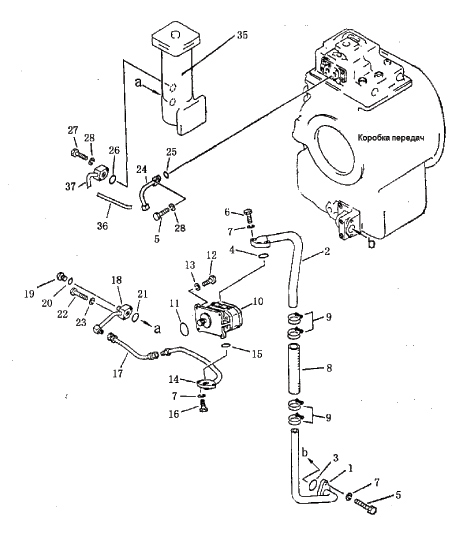
| 1 | Трубка всасывающая | 16Y-75-18000 | 1 | 1 | 1 | |
| 2 | Трубка всасывающая | 16Y-75-16000 | 1 | 1 | 1 | |
| 3 | Кольцо круглого сечения | 07000-03040 | 1 | 1 | 1 | |
| 4 | Кольцо круглого сечения | 07000-03032 | 1 | 1 | 1 | |
| 5 | Болт | 01010-51030 | 4 | 4 | 4 | |
| 6 | Болт | 01010-51065 | 2 | 2 | 2 | |
| 7 | Шайба | 01602-21030 | 6 | 6 | 6 | |
| 8 | Рукав | 07260-23236 | 1 | 1 | 1 | |
| 9 | Хомут | 07280-05026 | 4 | 4 | 4 | |
| 10 | Насос трансмиссионный | 16Y-75-24000 | 1 | 1 | 1 | |
| 11 | Кольцо круглого сечения | 07000-02075 | 1 | 1 | 1 | |
| 12 | Болт | 01010-51030 | 4 | 4 | 4 | |
| 13 | Шайба | 01602-21030 | 4 | 4 | 4 | |
| 14 | Трубка | 16Y-75-17000 | 1 | 1 | 1 | |
| 15 | Кольцо круглого сечения | 07000-03022 | 1 | 1 | 1 | |
| 16 | Болт | 01010-51035 | 2 | 2 | 2 | |
| 17 | Рукав | 07102-20506 | 1 | 1 | 1 | |
| 18 | Трубка | 16Y-75-09000 | 1 | 1 | 1 | |
| 19 | Пробка | 07040-11007 | 1 | 1 | 1 | |
| 20 | Кольцо круглого сечения | 07000-01023 | 1 | 1 | 1 | |
| 21 | Кольцо круглого сечения | 07000-03025 | 1 | 1 | 1 | |
| 22 | Болт | 01010-51050 | 2 | 2 | 2 | |
| 23 | Шайба | 01602-21030 | 2 | 2 | 2 | |
| 24 | Трубка | 16Y-75-22000 | 1 | 1 | 1 | |
| 25 | Кольцо круглого сечения | 07000-03028 | 1 | 1 | 1 | |
| 26 | Кольцо круглого сечения | 07000-03025 | 1 | 1 | 1 | |
| 27 | Болт | 01010-51050 | 2 | 2 | 2 | |
| 28 | Шайба | 01602-21030 | 4 | 4 | 4 | |
| 35 | Фильтр | 16Y-75-23000 | 1 | 1 | 1 | |
| 36 | Рукав | 07102-20503 | 1 | 1 | 1 | |
| 37 | Трубка | 16Y-75-08000 | 1 | 1 | 1 | |
Обращаем Ваше внимание, что пункты отмеченные звездочкой, обязательны для заполнения.