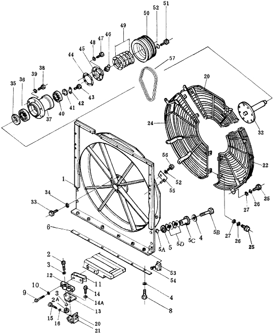
| ||||||
| № п/п | Наименование | Код детали | SD32 | |||
| 1 | Кожух | 175-03-C1142 | 1 | |||
| 2 | Болт | 01091-52205 | 4 | |||
| 2A | Гайка | 01582-12218 | 4 | |||
| 3 | Шайба | 01643-32260 | 20 | |||
| 4 | Шайба | 01643-31232 | 14 | |||
| 5 | Шайба | 01643-32060 | 10 | |||
| 5A | Кольцо | 175-54-28770 | 10 | |||
| 5B | Болт | 01010-51275 | 10 | |||
| 5C | Сальник | 175-03-32232 | 10 | |||
| 5D | Пружина | 175-54-27350 | 40 | |||
| 6 | Пластина | 175-03-32720 | 1 | |||
| 8 | Болт | 01010-51225 | 4 | |||
| 9 | Болт | 01010-51245 | 4 | |||
| 10 | Шайба | 01643-31232 | 4 | |||
| 11 | Проставка | 195-03-22270 | 12 | |||
| 12 | Амортизатор в сборе | 195-03-22501 | 2 | |||
| 13 | Кронштейн | 175-03-32972 | 2 | |||
| 14 | Болт | 01010-51435 | 4 | |||
| 14A | Шайба | 01643-31445 | 4 | |||
| 15 | Болт | 01010-51225 | 6 | |||
| 16 | Шайба | 01643-31232 | 6 | |||
| 20 | Кронштейн левый | 175-03-32760 | 2 | |||
| 21 | Кронштейн правый | 175-03-32770 | 2 | |||
| 22 | Решетка | 175-03-C1241 | 1 | |||
| 23 | Решетка | 175-03-C1250 | 1 | |||
| 24 | Решетка | 175-03-C1261 | 1 | |||
| 25 | Болт | 01010-51235 | 14 | |||
| 26 | Шайба пружинная | 01602-21236 | 14 | |||
| 27 | Шайба | 01643-31232 | 14 | |||
| 32 | Вал | 175-03-C1271 | 1 | |||
| 33 | Болт | 01010-51235 | 8 | |||
| 34 | Шайба | 01602-21236 | 8 | |||
| 35 | Сальник | 07011-10090 | 1 | |||
| 36 | Подшипник шариковый | 06040-06212 | 1 | |||
| 37 | Барабан | 175-03-C1280 | 1 | |||
| 38 | Болт | 01010-51240 | 6 | |||
| 39 | Шайба | 01602-21236 | 6 | |||
| 40 | Подшипник игольчатый | 06040-06310 | 1 | |||
| 41 | Кольцо пружинное | 195-03-11842 | 1 | |||
| 42 | Пластина стопорная | 195-03-11851 | 1 | |||
| 43 | Болт | 01010-51030 | 2 | |||
| 44 | Прокладка | 195-03-11870 | 1 | |||
| 45 | Крышка | 175-03-34380 | 1 | |||
| 46 | Тавотница | 07020-01018 | 1 | |||
| 47 | Болт | 01010-51030 | 3 | |||
| 48 | Шайба | 01602-21030 | 3 | |||
| 49 | Проставка 1,0 мм | 195-03-11880 | 10 | |||
| 50 | Шкив ременный | 175-03-C1290 | 1 | |||
| 50a | Шкив ременный (TMY320) | 24M-03-00001 | 1 | |||
| 51 | Болт | 01010-51260 | 6 | |||
| 52 | Шайба | 01602-21236 | 6 | |||
| 53 | Прокладка | 195-03-13150 | 2 | |||
| 54 | Болт | 01010-51020 | 4 | |||
| 55 | Штифт | 175-03-32710 | 1 | |||
| 56 | Болт | 01010-51230 | 1 | |||
| 57 | Ремень вентилятора | 04122-22279 | 3 | |||
| 57a | Ремень вентилятора (TMY320) | 04122-22274 | 3 | |||
Обращаем Ваше внимание, что пункты отмеченные звездочкой, обязательны для заполнения.