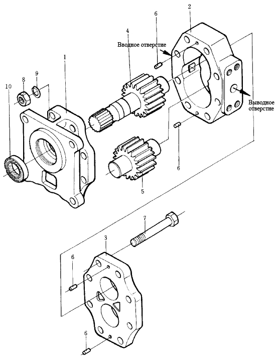
| ||||||
| № п/п | Наименование | Код детали | SD32 | |||
| 0 | насос гидроусилителя рулевого управления в сборе | 07440-72202 | 1 | |||
| 1 | кронштейн в сборе | 07438-72111 | 1 | |||
| 2 | корпус насоса | 07440-71221 | 1 | |||
| 3 | корпус в сборе | 07433-71131 | 1 | |||
| 4 | ведущее зубчатое колесо | 07440-71042 | 1 | |||
| 5 | ведущее зубчатое колесо | 07440-71052 | 1 | |||
| 6 | штифт установочный | 04020-00820 | 4 | |||
| 7 | болт | 01051-51420 | 8 | |||
| 8 | гайка | 01582-11411 | 8 | |||
| 9 | шайба пружинная | 01602-21442 | 8 | |||
| 10 | cальник | 07438-71160 | 1 | |||
Обращаем Ваше внимание, что пункты отмеченные звездочкой, обязательны для заполнения.