| ||||||
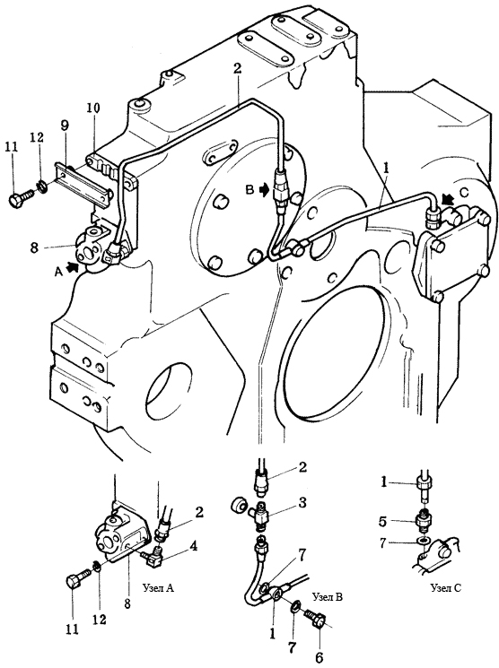
| № п/п | Наименование | Код детали | SD32 | |||
| 1 | Патрубок | 6710-53-9510 | 1 | |||
| 2 | Патрубок | 6691-51-9521 | 1 | |||
| 3 | Тройник | 6691-51-9570 | 1 | |||
| 4 | Угольник | 07206-10610 | 1 | |||
| 5 | Соединительный патрубок | 6691-51-9580 | 1 | |||
| 6 | Болт | 6600-01-3860 | 1 | |||
| 7 | Прокладка | 07003-01015 | 3 | |||
| 8 | Фланец | 6691-51-9560 | 1 | |||
| 9 | Хомут | 6600-01-5930 | 1 | |||
| 10 | Хомут | 6691-51-9540 | 1 | |||
| 11 | Болт | 01010-31030 | 4 | |||
| 12 | Шайба | 01602-01030 | 4 | |||
Обращаем Ваше внимание, что пункты отмеченные звездочкой, обязательны для заполнения.