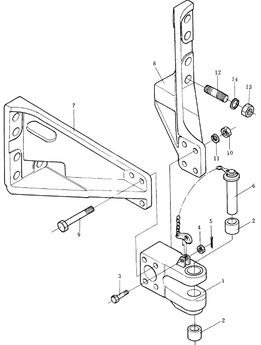
| ||||||
| № п/п | Наименование | Код детали | SD32 | |||
| 0 | тяговый брус в сборе | 175-69-20003 | 1 | |||
| 1 | сиденье тягового бруса | 175-69-21212 | 1 | |||
| 2 | проставка | 195-69-11230 | 2 | |||
| 3 | болт | 01052-51675 | 1 | |||
| 4 | гайка | 01592-11619 | 1 | |||
| 5 | штифт | 04050-14030 | 1 | |||
| 6 | штифт в сборе | 195-69-11223 | 1 | |||
| 7 | кронштейн левый | 175-69-21111 | 1 | |||
| 8 | кронштейн правый | 175-69-21121 | 1 | |||
| 9 | болт | 170-69-11143 | 4 | |||
| 10 | гайка | 01580-03326 | 4 | |||
| 11 | шайба пружинная | 01602-03382 | 4 | |||
| 12 | нарезной болт | 170-69-11154 | 10 | |||
| 13 | гайка | 01580-03931 | 10 | |||
| 14 | шайба пружинная | 01602-03995 | 10 | |||
Обращаем Ваше внимание, что пункты отмеченные звездочкой, обязательны для заполнения.