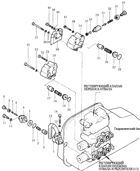
| ||||||
| № п/п | Наименование | Код детали | SD32 | |||
| 0 | система управления рабочим оборудованием в сборе | 710-43-24002 | 1 | |||
| 1 | главный предохранительный клапан в сборе | 701-40-51002 | 1 | |||
| 1 | корпус главного предохранительного клапана | 701-40-51111 | 1 | |||
| 2 | элемент главного предохранительного клапана | 701-40-51120 | 1 | |||
| 3 | пружина главного клапана | 701-30-51130 | 1 | |||
| 4 | корпус клапана направляющего штифта | 701-40-51130 | 1 | |||
| 5 | тарельчатый клапан | 701-30-51151 | 1 | |||
| 6 | тарельчатый клапан | 701-30-51160 | 1 | |||
| 7 | пружинный тарельчатый клапан | 701-30-51170 | 1 | |||
| 8 | пробка | 701-30-51160 | 1 | |||
| 9 | пружина стопорная | 701-30-51190 | 1 | |||
| 10 | кольцо уплотнительное | 07000-13048 | 2 | |||
| 11 | болт | 01011-31405 | 2 | |||
| 12 | шайба пружинная | 01602-01442 | 2 | |||
| 13 | трубка отражательной перегородки | 701-40-51160 | 1 | |||
| 14 | болт | 01010-31030 | 2 | |||
| 15 | шайба пружинная | 01602-01030 | 2 | |||
| 16 | всасывающий клапан в сборе | 701-40-61002 | 1 | |||
| 16 | корпус всасывающего клапана | 701-40-61152 | 1 | |||
| 17 | элемент клапана | 701-40-61120 | 2 | |||
| 18 | пружина | 701-50-61131 | 2 | |||
| 19 | сиденье | 701-40-72120 | 2 | |||
| 20 | кольцо уплотнительное | 07000-13040 | 2 | |||
| 21 | болт | 01011-31420 | 2 | |||
| 22 | болт | 01010-31495 | 2 | |||
| 23 | шайба пружинная | 01602-01442 | 4 | |||
| 24 | всасывающий клапан и клапан безопасности в сборе | 701-40-62002 | 1 | |||
| 24 | корпус всасывающего клапана | 701-40-62162 | 1 | |||
| 25 | элемент всасывающего клапана | 701-40-61120 | 2 | |||
| 26 | пружина | 701-50-61131 | 2 | |||
| 27 | сиденье | 701-40-72120 | 2 | |||
| 28 | кольцо уплотнительное | 07000-13040 | 2 | |||
| 29 | корпус предохранительного клапана | 701-30-72112 | 1 | |||
| 30 | тарельчатый клапан | 701-30-72122 | 1 | |||
| 31 | тарельчатый клапан | 701-30-72132 | 1 | |||
| 32 | пружина | 701-30-72140 | 1 | |||
| 33 | кольцо уплотнительное | 07002-13034 | 1 | |||
| 34 | пробка | 701-30-72150 | 1 | |||
| 35 | гайка | 01583-03018 | 1 | |||
| 36 | корпус клапана | 701-40-62171 | 1 | |||
| 37 | болт | 01011-31645 | 2 | |||
| 38 | шайба пружинная | 01602-01442 | 5 | |||
| 39 | шайба | 01643-31445 | 3 | |||
| 40 | болт | 01010-31455 | 1 | |||
| 41 | болт | 01010-31495 | 2 | |||
Обращаем Ваше внимание, что пункты отмеченные звездочкой, обязательны для заполнения.