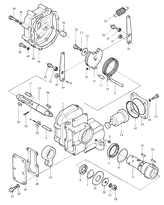
| ||||||
| № п/п | Наименование | Код детали | SD32 | |||
| 0 | сервоклапан | 702-12-14000 | 2 | |||
| 1 | корпус | 702-12-13110 | 1 | |||
| 2 | пробка | 07043-00108 | 2 | |||
| 3 | штифт | 702-12-12140 | 1 | |||
| 4 | штифт | 702-12-12150 | 1 | |||
| 5 | втулка | 702-12-12160 | 1 | |||
| 6 | сальник | 702-12-12390 | 1 | |||
| 7 | пружинное кольцо | 04065-04018 | 1 | |||
| 8 | сальник | 702-12-12410 | 1 | |||
| 9 | пружинное кольцо | 04065-06020 | 1 | |||
| 10 | ротор | 702-12-12170 | 1 | |||
| 11 | штифт | 702-12-12180 | 1 | |||
| 12 | пружинный штифт | 04025-00316 | 1 | |||
| 13 | шпонка | 04000-00520 | 1 | |||
| 14 | поршень | 702-12-12191 | 1 | |||
| 15 | шток | 702-12-12210 | 1 | |||
| 16 | стопор | 702-12-12451 | 1 | |||
| 17 | штифт | 702-12-12230 | 1 | |||
| 18 | пружинное кольцо | 702-12-12240 | 1 | |||
| 19 | пружина | 702-12-12251 | 1 | |||
| 20 | шпонка | 04000-00515 | 1 | |||
| 21 | шайба | 702-12-12420 | 1 | |||
| 22 | болт | 01010-50816 | 1 | |||
| 23 | шайба пружинная | 01602-20825 | 1 | |||
| 24 | шпонка | 04000-00520 | 2 | |||
| 25 | шайба | 702-12-12280 | 1 | |||
| 26 | шайба | 702-12-12270 | 1 | |||
| 27 | гайка | 01580-11008 | 1 | |||
| 28 | шайба пружинная | 01602-21030 | 1 | |||
| 29 | крышка | 702-12-13220 | 1 | |||
| 30 | штифт | 702-12-13210 | 1 | |||
| 31 | кольцо прокладочное | 702-12-13140 | 1 | |||
| 32 | болт | 01010-50835 | 2 | |||
| 33 | болт | 01010-50845 | 6 | |||
| 34 | шайба пружинная | 01602-20825 | 8 | |||
| 35 | крышка | 702-12-13160 | 1 | |||
| 36 | кольцо уплотнительное | 07000-22070 | 1 | |||
| 37 | болт | 01010-50825 | 4 | |||
| 38 | шайба пружинная | 01602-20825 | 4 | |||
| 39 | крышка | 702-12-13130 | 1 | |||
| 40 | кольцо прокладочное | 702-12-13150 | 1 | |||
| 41 | болт | 01010-50825 | 6 | |||
| 42 | шайба пружинная | 01602-20825 | 6 | |||
Обращаем Ваше внимание, что пункты отмеченные звездочкой, обязательны для заполнения.